Skocz do zawartości

Nasza strona utrzymywana jest wyłącznie z reklam. Dlatego prosimy o wyłącznie AdBlocka w przeglądarce podczas korzystania z witryny https://megane.com.pl

Sklep z częściami do Renault - sprawdź iParts.pl

Niedziałający wentylator chłodnicy


Rekomendowane odpowiedzi

Witam. Całe złącze R34 to jest "wtyczka" koloru CY "kryształowy" czyli w uproszczeniu biały.Wtyczka ta składa się z obudowy którą z zewnątrz postrzegamy jako właśnie jeden element koloru "kryształowego" a w środku składa się jeszcze z elementów dodatkowych tzn. wtyczka we wtyczce .Ten element przez Ciebie zaznaczony to właśnie "wtyczka we wtyczce" koloru czarnego NO nr .pinu 1.Niestety według tych schematów wygląda to tak jakby na tym przewodzie napięcie powinno być cały czas, pin 32 na złączu ECU -podtrzymanie pamięci ECU.Troche się różnią te schematy.

 

Dodano: 11 maj 2012 - 09:53

Witam. Całe złącze R34 to jest "wtyczka" koloru CY "kryształowy" czyli w uproszczeniu biały.Wtyczka ta składa się z obudowy którą z zewnątrz postrzegamy jako właśnie jeden element koloru "kryształowego" a w środku składa się jeszcze z elementów dodatkowych tzn. wtyczka we wtyczce .Ten element przez Ciebie zaznaczony to właśnie "wtyczka we wtyczce" koloru czarnego NO nr .pinu 1.Niestety według tych schematów wygląda to tak jakby na tym przewodzie napięcie powinno być cały czas, pin 32 na złączu ECU -podtrzymanie pamięci ECU.Troche się różnią te schematy.

"Tyle, że po podaniu napięcia na przewód 3- pinowy dochodzącego do elektrowłącznika - dokładnie na kabelki sterujące przekaźnikami (na schemacie pomarańczowy i brązowy) wentylator rusza na 1 lub 2 biegu." - własnie to było niejasne dla mnie ale w tym przypadku tylko potwierdziło , że ECU raczej nie steruje pracą tylko dwufunkcyjny termo-włącznik.

Odnośnik do komentarza
Udostępnij na innych stronach

:) Nie! Wtyczka ma oznaczenie NO czyli czarna, natomiast przewody wychodzące z tej wtyczki to RG - czerwony i CY - kryształowy lub biały.

Nie wiem dlaczego, ale jak tak patrzę na te schematy to wychodzi na to, że są one różne. Rozumiem, inny silnik, inne wyposażenie, ale żeby kombinować w zależności od rocznika? Tego już nie ogarniam. :)

  • +1 1
Odnośnik do komentarza
Udostępnij na innych stronach

Witam, problem rozwiązany - przyczyną był urwany czewrony przewód biegnący (w peszlu razem z innymi) od włącznika termicznego do złącza R34.

Mała dygresja: u mnie złącze R34 jest siwe, a wtyczka w nim - biała. Rok produkcji auta: 1998.

Wielkie DZIĘKI za pomoc.

POZDRAWIAM

Odnośnik do komentarza
Udostępnij na innych stronach

Mam pytania:

1.Czy jak włączam klimę, to wentylator powinien od razu kręcić się na 1szym biegu? U mnie po włączeniu klimy wentylator załącza sie po około 60 sekundach, popracuje trochę i się wyłącza. Wydaje mi się, że włączył się od razu II bieg, bo po zwarciu na krótko w miejscu przekaźnika obroty były podobne.

2.Jak sprawdzić działanie 1-szego biegu? (ten I biegu przekaźnik ma chyba 5-6 pinów wszystkie takie same - na czuja nie chce zwierać)

 

Temat rozwiązany, to sobie odpowiem sam dla potomnych:

 

ad1. Tak powinen się załaczać, jak nie działa pierwszy bieg to "awaryjnie" co jakiś czas sie załacza wentyaltor na drugim biegu

 

ad.2.

1. Najlepiej sprawdzić poprzez właczenie klimy, powinen się włączyć, jeśli nie reaguje to coś jest nie tak ( zakłądajac, że jest czynnik i klima się załącza).

2. W dalszej kolejności można zacząć od sprawdzenia czy przekaźnik wolnych obrotów załącza. Włączamy klimę (lub rozgrzewamy silnik do temp. przy której powinien zadziałać). Ja włączyłem klimę wyciągałem przekaźnik i przy jego wkładaniu słychac czy się załącza.

2a. Jak się nie załącza, to można sprawdzić termowłącznik (jest on wkręcony do chłodnicy). Odpinamy wtyczkę do której dochodzą 3 kabelki. Zwieramy dolny pin wtyczki z górnymi (u mnie na górze były 2, na dole jeden). Przy zwarciu powinen się załaczać kolejno przekaźnik od biegu I i od II. Jeśli przekźnik od pierwszego biegu nie reaguje to możemy go wyciągnąć i podłączyć na krótko. "przekaźnik ma chyba 5-6 pinów wszystkie takie same" - z boku przekaźnika jest jego schemat i można zobaczyć które piny zewrzeć. O ile dobrze pamiętam zwieramy piny o numerze 30 i 83 i jeśli wentylator zareguje to znaczy, że może być uwalony przekaźnik, jeśli nie to gdzieś na kabelkach jest przerwa, trzeba sprawdzić połączenia.

2.b Jak przekaźnik załącza, a wolne obroty nie działają to sprawdzamy opornice chłodnicy (umieszczona jest niedaleko termowłącznika - dochodzą do niej 2 grubsze kable). Wyciągamy wtyczkę i ją zwieramy. Jeśli wentylator się załączy to znaczy, że opornica nie działa, jeśli po zwarciu wentylator nie reaguje, to trzeba sprawdzić połaczenie kabli.

3. Jak zdiagnozowaliśmy opornice, to ją odkręcamy i sprawdzamy czy bezpiecznik termiczny jest cały oraz, czy uzwojenie (taka jakby sprężynka) jest cała. Jeśli nie jesteśmy pewni co do bezpiecznika, to można wpiąć wtyczkę w opornice, włączyć klimę i w miejscu gdzie jest bezpiecznik zrobić krotkie zwarcie. Jeśli wentylator zadziała, to musimy wymienić bezpiecznik termiczny.

 

Ponizej w kółku opornica chłodnicy, w czarnym prostokącie 2 to miejsce termowłącznika.

chlodwkw.jpg

Edytowane przez gochu
  • +1 1
Odnośnik do komentarza
Udostępnij na innych stronach

  • 1 rok później...

Witam kolegów,jestem tu nowy wiec jesli pisze coś nie tak to prosze o sugestie i pomoc,mam podobny problem jak w/w mianowicie w moim scenicu 2.0 benzyna nie załącza wentylatora chłodnicy w momencie kiedy temperatura jest wysoka.Zdążyłem ustalic że wentylator jest sprawny ponieważ podalem mu bezposrednio + a akumulatora który wpiołem w wtyczke zdjetą z czujnika temperatury cieczy w chłodnicy i wentylator startuje jak należy,zas po zmostkowaniu zdjetej wtyczki zero reakcji a z tego co sie orientuje powinien tez wystartowac,po zmierzeniu miernikiem tej wtyczki okazuje sie że nie ma tam żadnego napiecia w żadnym z dwóch przewodów (bialy i brązowy)bezpieczniki sprawdzalem i wszystkie ok chociaz ten głowny wydaje mi sie ze jest zmieniony na wiekszą wartość bo obecnie siedzi 50A zamiast 40A.Prosze pomózcie bo nie bardzo wiem gdzie szukać

Edytowane przez maniek7981
Odnośnik do komentarza
Udostępnij na innych stronach

  • 1 rok później...

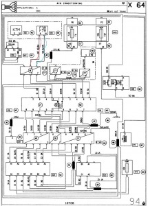
Schemat w załączniku jest w 99% procentach do Twojej wersji silnikowej i wyposażenia.

I żeby nie było, to jest tylko schemat elektryczny wentylatora chłodnicy, żeby np. zobaczyć jak lecą kabelki czujnika temp. silnika to trzeba wziąć inny schemat.

Opis do schematu:

248 - czujnik temperatury

206 - trzy-funkcyjny czujniki ciśnienia czynnika klimatyzacji

319 - panel sterowania klimatyzacją

645 - UHC

597 - skrzynka bezpieczników i przekaźników w komorze silnika

120 - ECU

163 - układ zapłonu silnika

262 - wentylator chłodnicy

321 - rezystor I-go biegu wentylatora

171 - sprzęgło sprężarki klimatyzacji

czy ktoś może podać jak sprawdzić czujnik 206? Bo na przykręconym czujniku mierzę i nigdzie nie mam przejscia. Wszystkie styki rozwarte, a ze schematu wygląda jakby C-D miały być zwarte?

I czy na styk C na być podany + z panelu klimatyzacji (wciśniecie przycisku AC)?

Nie rusza mi klima(sprzęgło) i wentylator na 1.biegu - podjrzewam, że nie przychodzi sygnał na diodę i sprzęgło.

Odnośnik do komentarza
Udostępnij na innych stronach

u mnie też wentylator chłodnicy nie startuje gdy włącze przycisk od klimy. Mam pytanie czy zaznaczone przewody na rysunku mogą mieć jakieś znaczenie?

 

6- ac circulating signal

51- ac cutoff signal

 

na obu mam napięcie bliskie 12v. Czy to dobrze?

post-36251-0-41504500-1436428789_thumb.jpg

Odnośnik do komentarza
Udostępnij na innych stronach

b.dziękuję za schemat. Niestety instalacja elektryczna u mnie jest kompletnie w rozsypce - elektryk, sztukował, skręcał, wcinał się tak więc kolorystyki nie ma i bez rysunków ciężko szukać drugiego końca nawet z miernikiem.

Rozumiem,że wykręcony, na ciśnieniu atmosferycznym będzie rozwarty =(tak jakby był brak ciśnienia w obiegu?).

Odnośnik do komentarza
Udostępnij na innych stronach

  • 2 miesiące temu...

Serwus,

nie chcę zakładać nowego tematu, więc podpinam się, bo chodzi o śmiglo przy chłodnicy.

 

Mam scenic 16, 16v 2002 r. Dziś stojąc pod sklepem, odebrałem telefon i nie wyłączyłem silnika, tylko siedziałem w środku i gadałem :) w pewnym momencie słyszę dźwięk bulgotania, patrzę na termometr i jest prawie na szczycie wskazówka. Wyłączam silnik, patrzę pod auto - nic nie cieknie. Płyn po ostygnięciu był kilka milimetrów poniżej MAX.

Ogólnie jestem totalna noga z elektroniki i mechaniki :) więc czytając ten temat prawie wszystko to dla mnie czarna magia - to tak na marginesie.

Finał mojej dzisiejszej przygody był taki: po tym jak ponownie nagrzałem silnik (temperatura 2 kreski powyżej połowy, tak 3/4 skali - wentylator chłodnicy nadal stał. Kiedyś tata mi mówił, że w sytuacjach gdy auto mocno się grzeje trzeba włączyć grzanie w kabinie na maxa :) tak też uczyniłem, włączyła się klima i zaczęło kręcić się śmigło przy chłodnicy. I właściwie już nie ważne jaką temperaturę zadałem (klima automatyczna) czy chłodzenie na maxa, czy grzanie - włączona klima włącza śmigło i elegancko doprowadza temperaturę do odpowiedniej wysokości.

Sprawdziłem bezpieczniki przy lewym kolanie kierowcy - nie widziałem tam nic co by sugerowało, że jest tam bezpiecznik od wiatraka chłodnicy.

Czytałem coś tutaj o czujnikach temperatury, ale wydaje mi się, że jeśli czujnik temperatury płynu umiera, to wiatrak kręci się cały czas?

No więc w moim przypadku tak się nie dzieje.

Zatem - co to może być, i czy może potrafiłbym naprawić to samemu?

Pozdrawiam!!

Grzesiek

Edytowane przez aston76
Odnośnik do komentarza
Udostępnij na innych stronach

Dołącz do dyskusji

Możesz dodać zawartość już teraz a zarejestrować się później. Jeśli posiadasz już konto, zaloguj się aby dodać zawartość za jego pomocą.

Gość
Dodaj odpowiedź do tematu...

×   Wklejono zawartość z formatowaniem.   Usuń formatowanie

  Dozwolonych jest tylko 75 emoji.

×   Odnośnik został automatycznie osadzony.   Przywróć wyświetlanie jako odnośnik

×   Przywrócono poprzednią zawartość.   Wyczyść edytor

×   Nie możesz bezpośrednio wkleić grafiki. Dodaj lub załącz grafiki z adresu URL.

  • Videos

  • Ogłoszenia

  • Polecana zawartość

    • Renault 5 E-Tech Electric: Start sprzedaży wersji Roland-Garros – hołd dla sportowej elegancji
      Renault 5 E-Tech Electric: Start sprzedaży wersji Roland-Garros – hołd dla sportowej elegancji
       
      Renault oficjalnie rozpoczęło sprzedaż nowej, ekskluzywnej wersji specjalnej modelu Renault 5 E-Tech Electric Roland Garros. To unikalne połączenie elegancji i sportowego charakteru, które oddaje ducha legendarnego turnieju tenisowego i francuskiego stylu. Ceny startują od 157 900 zł, a model kwalifikuje się do rządowych dopłat w ramach programu NaszEauto, co dodatkowo zwiększa jego atrakcyjność na rynku.
      • 0 odpowiedzi
    • Renault Megane GrandCoupe z silnikiem wysokoprężnym 1.5 dCi
      Renault Megane GrandCoupe z silnikiem wysokoprężnym 1.5 dCi – nowa opcja dla oszczędnych kierowców
      Renault Polska ogłasza rozszerzenie oferty modelu Megane GrandCoupe o wariant z silnikiem wysokoprężnym 1.5 dCi o mocy 115 KM. Nowa wersja trafi do salonów już w marcu 2025 roku, oferując ekonomiczne spalanie i wydłużony zasięg na jednym baku. Ceny startują od 113 900 zł za wersję evolution oraz 117 400 zł za wersję techno z 7-biegową, automatyczną skrzynią EDC.
      Oszczędność paliwa i większy zasięg
      Nowy wariant Megane GrandCoupe będzie napędzany sprawdzoną jednostką 1.5 dCi, znaną z innych modeli marki. Silnik generuje 115 KM, a średnie zużycie paliwa wynosi 4,6-4,7 l/100 km, co oznacza, że jest o około litr oszczędniejszy od wersji benzynowej. Dzięki zbiornikowi paliwa o pojemności 50 litrów, samochód może przejechać nawet 1060 km na jednym tankowaniu. Niższa emisja CO₂ (120-124 g/km) czyni go także bardziej ekologicznym wyborem.
      Nowa wersja silnikowa będzie atrakcyjną propozycją zarówno dla kierowców pokonujących długie trasy, jak i dla klientów flotowych, którzy cenią sobie niskie koszty eksploatacji.
      Bogate wyposażenie w standardzie
      Megane GrandCoupe 1.5 dCi dostępne będzie w dwóch wariantach wyposażeniowych:
       
      Evolution (113 900 zł) – w standardzie oferuje m.in.:
      Systemy wspomagania kierowcy: ostrzeżenie o nadmiernej prędkości, kontrola bezpiecznej odległości, aktywne hamowanie AEBS, asystent pasa ruchu. Dwustrefową klimatyzację automatyczną. 7-calowy ekran TFT w zestawie wskaźników. System multimedialny Easy Link 7" (DAB, Bluetooth®, 2 x USB/jack, 2 x USB dla pasażerów tylnych siedzeń). Bezprzewodową replikację ekranu smartfona.
        Techno (117 400 zł) – oprócz wyposażenia evolution dodatkowo oferuje:
      System multi-sense, który pozwala na personalizację ustawień jazdy. Kartę Renault Hands Free z funkcją powitalną. Światła przednie Full LED „Pure Vision”. 17-calowe aluminiowe felgi. Klasyczna elegancja i praktyczność
      Megane GrandCoupe czwartej generacji to stylowy sedan o długości 4,63 m, oferujący przestronne wnętrze oraz dużą pojemność bagażnika – 503 litry (po złożeniu tylnych siedzeń – 987 litrów). Charakterystyczna linia nadwozia i elegancki design sprawiają, że samochód wyróżnia się na tle konkurencji.
      Pełna oferta Megane GrandCoupe
      Obok nowej wersji wysokoprężnej, Renault oferuje Megane GrandCoupe również z silnikiem benzynowym, spełniającym najnowsze normy GSR2 (General Safety Regulation 2):
      TCe 140 w wersji Evolution – od 101 900 zł. TCe 140 EDC Techno – od 111 400 zł. Nowa opcja 1.5 dCi uzupełnia gamę silnikową, dając klientom wybór między dynamiczną benzyną a oszczędnym dieslem.
       
      Źródło: Renault
       
        
       
       
       
        • +1
      • 0 odpowiedzi
    • Renault otwiera pierwsze Renew Factory w Polsce
      Grupa Renault, we współpracy z KrubaGroup, inauguruje pierwsze Renew Factory w Polsce – zakład dedykowany renowacji samochodów używanych marki Renault, Dacia oraz innych producentów.
        • +1
      • 1 odpowiedź
    • Ciśnienie na turbinie poniżej 2000rpm. Ile powinno wynosić? K9K636
      Pytanie jak w tytule. Ile powinno wynosić prawidłowe ciśnienie na turbinie poniżej dwóch tysięcy obrotów? Ostatnio mam wrażenie ,że nasz Scenic robił się strasznie ospały. Przerdzewiał wydech na samej przepustnicy, i wypiął się kompletnie.Żona jeździła tak z dwa tygodnie,wylapałem to dopiero kiedy wziąłem auto do pracy i na autostradzie nastąpiło wypalanie FAP (pełen przelot ).Od tamtej pory auto na jedynce nie jechało w ogole. Założylismy nowy wydech,jednak auto nadal było mułowate. Dopiero dziś zrobiłem adaptacje przepustnicy wydechu i jest jakby lepiej,ale nadal nie do konća . Auto pompuje około bar w przedziale 1600-1800/900,turbina rozkręca sie dopiero przy 2000-2100 obrotów na zadane 1.55 i scenic rusza żwawo do przodu. 
       
      Zastanawiam się czy ten wydech coś za sobą pociągnał,czy wystarczyło tylko zaadaptować inną przepustnice ,czy może jeszcze to fakt że pojeździlismy 2.0dci 150 i tylko się nam wydaję i było tak zawsze (laguna przyspiesza dość agresywnie w porównaniu do scenica). Wartości EGR i przepływomierza plynnie zmieniają się w trakcie obciązenia,auto nie ma żadnych błędów. 
      • 23 odpowiedzi
    • Nawiew tylnej kanapy - Megane 3
      Witam, planuje zakup Megane 3 Grandtour. Przegladajac ogloszenia nie widze aby jaka kolwiek miala nawiew na tylnia kanape. Pytanie czy jesrt to do zrobienia ? Może części z laguny 3 beda pasować ? Robił, ktoś cos podobnego ? Wymysliłem sobie kupno M3 1.5 dCi 110km, do tego chciałbym na start zrobić chip zeby podniesc moment  obrotowy i zyskać pare km. Później  chciałbym wrzucić jeszcze radio 2din z możliwością podpięcia kamery cofania i gniazdo zapalniczki lub usb do ladowania dla pasazera z tylu. Aczkolwiek najbardziej mnie nurtuje czy jest opcja na ten nawiew do tylu dla pasażerów. Jeżeli to pomocne... jestem gotow zrezygnować z tego joysticka jesli takowa wersja jaka kupie bedzie go posiadać. jezeli bedzie trzeba zmienić caly ten tunel . Dla mnie jest elementem zbędnym. W tym miejscu bardziej pasowałby jakis schowek z zasuwana roletka, albo poprostu miejsce na kubek. 
       
      Jesli był taki temat poruszany to podlinkujcie. Nie znalazlem nic co by zaspokoiło moje pytania. Widziałem wątek o M4 ale te auta chyba troszeczke sie różnią ? 
       

      REGULAMIN Forum się kłania pkt 5.6  - Prezes
       
       
      • 25 odpowiedzi
×
×
  • Dodaj nową pozycję...

Nasza strona utrzymywana jest wyłącznie z reklam. Dlatego prosimy o wyłącznie AdBlocka w przeglądarce podczas korzystania z witryny https://megane.com.pl .

Tak, AdBlock został przeze mnie wyłączony!