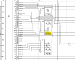
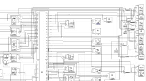
Megane IV phII schemat sterowania silnikiem 1.3tce
-
Podobna zawartość
-
- 8 odpowiedzi
- 200 wyświetleń
-
- 2 odpowiedzi
- 277 wyświetleń
-
Megane IV phII Megane IV PHII Łuszczenie się elementów dekoracyjnych w aucie z 2024 roku
Przez Jakub_cz,
- 8 odpowiedzi
- 1109 wyświetleń
-
- 2 odpowiedzi
- 716 wyświetleń
-
- 1 odpowiedź
- 306 wyświetleń
-

Rekomendowane odpowiedzi
Dołącz do dyskusji
Możesz dodać zawartość już teraz a zarejestrować się później. Jeśli posiadasz już konto, zaloguj się aby dodać zawartość za jego pomocą.