Nasza strona utrzymywana jest wyłącznie z reklam. Dlatego prosimy o wyłącznie AdBlocka w przeglądarce podczas korzystania z witryny https://megane.com.pl
Sklep z częściami do Renault - sprawdź iParts.pl
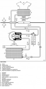
Megane II phI skad powinno kapac ?
-
Videos
-
Ogłoszenia
-
Polecana zawartość
-
Renault 5 E-Tech Electric: Start sprzedaży wersji Roland-Garros – hołd dla sportowej elegancji
Krzychu opublikował(a) temat w Aktualności motoryzacyjne,
Renault 5 E-Tech Electric: Start sprzedaży wersji Roland-Garros – hołd dla sportowej elegancji
Renault oficjalnie rozpoczęło sprzedaż nowej, ekskluzywnej wersji specjalnej modelu Renault 5 E-Tech Electric Roland Garros. To unikalne połączenie elegancji i sportowego charakteru, które oddaje ducha legendarnego turnieju tenisowego i francuskiego stylu. Ceny startują od 157 900 zł, a model kwalifikuje się do rządowych dopłat w ramach programu NaszEauto, co dodatkowo zwiększa jego atrakcyjność na rynku.- 0 odpowiedzi
Wybrany przez
Krzychu, -
Renault Megane GrandCoupe z silnikiem wysokoprężnym 1.5 dCi
Krzychu opublikował(a) temat w Aktualności motoryzacyjne,
Renault Megane GrandCoupe z silnikiem wysokoprężnym 1.5 dCi – nowa opcja dla oszczędnych kierowców
Renault Polska ogłasza rozszerzenie oferty modelu Megane GrandCoupe o wariant z silnikiem wysokoprężnym 1.5 dCi o mocy 115 KM. Nowa wersja trafi do salonów już w marcu 2025 roku, oferując ekonomiczne spalanie i wydłużony zasięg na jednym baku. Ceny startują od 113 900 zł za wersję evolution oraz 117 400 zł za wersję techno z 7-biegową, automatyczną skrzynią EDC.
Oszczędność paliwa i większy zasięg
Nowy wariant Megane GrandCoupe będzie napędzany sprawdzoną jednostką 1.5 dCi, znaną z innych modeli marki. Silnik generuje 115 KM, a średnie zużycie paliwa wynosi 4,6-4,7 l/100 km, co oznacza, że jest o około litr oszczędniejszy od wersji benzynowej. Dzięki zbiornikowi paliwa o pojemności 50 litrów, samochód może przejechać nawet 1060 km na jednym tankowaniu. Niższa emisja CO₂ (120-124 g/km) czyni go także bardziej ekologicznym wyborem.
Nowa wersja silnikowa będzie atrakcyjną propozycją zarówno dla kierowców pokonujących długie trasy, jak i dla klientów flotowych, którzy cenią sobie niskie koszty eksploatacji.
Bogate wyposażenie w standardzie
Megane GrandCoupe 1.5 dCi dostępne będzie w dwóch wariantach wyposażeniowych:
Evolution (113 900 zł) – w standardzie oferuje m.in.:
Systemy wspomagania kierowcy: ostrzeżenie o nadmiernej prędkości, kontrola bezpiecznej odległości, aktywne hamowanie AEBS, asystent pasa ruchu. Dwustrefową klimatyzację automatyczną. 7-calowy ekran TFT w zestawie wskaźników. System multimedialny Easy Link 7" (DAB, Bluetooth®, 2 x USB/jack, 2 x USB dla pasażerów tylnych siedzeń). Bezprzewodową replikację ekranu smartfona.
Techno (117 400 zł) – oprócz wyposażenia evolution dodatkowo oferuje:
System multi-sense, który pozwala na personalizację ustawień jazdy. Kartę Renault Hands Free z funkcją powitalną. Światła przednie Full LED „Pure Vision”. 17-calowe aluminiowe felgi. Klasyczna elegancja i praktyczność
Megane GrandCoupe czwartej generacji to stylowy sedan o długości 4,63 m, oferujący przestronne wnętrze oraz dużą pojemność bagażnika – 503 litry (po złożeniu tylnych siedzeń – 987 litrów). Charakterystyczna linia nadwozia i elegancki design sprawiają, że samochód wyróżnia się na tle konkurencji.
Pełna oferta Megane GrandCoupe
Obok nowej wersji wysokoprężnej, Renault oferuje Megane GrandCoupe również z silnikiem benzynowym, spełniającym najnowsze normy GSR2 (General Safety Regulation 2):
TCe 140 w wersji Evolution – od 101 900 zł. TCe 140 EDC Techno – od 111 400 zł. Nowa opcja 1.5 dCi uzupełnia gamę silnikową, dając klientom wybór między dynamiczną benzyną a oszczędnym dieslem.
Źródło: Renault
- 1 odpowiedź
Wybrany przez
Krzychu, -
Renault otwiera pierwsze Renew Factory w Polsce
Krzychu opublikował(a) temat w Aktualności motoryzacyjne,
Renault otwiera pierwsze Renew Factory w Polsce
Grupa Renault, we współpracy z KrubaGroup, inauguruje pierwsze Renew Factory w Polsce – zakład dedykowany renowacji samochodów używanych marki Renault, Dacia oraz innych producentów.- 1 odpowiedź
Wybrany przez
Krzychu, -
Ciśnienie na turbinie poniżej 2000rpm. Ile powinno wynosić? K9K636
Krauziak opublikował(a) temat w 1.5 diesel,
Pytanie jak w tytule. Ile powinno wynosić prawidłowe ciśnienie na turbinie poniżej dwóch tysięcy obrotów? Ostatnio mam wrażenie ,że nasz Scenic robił się strasznie ospały. Przerdzewiał wydech na samej przepustnicy, i wypiął się kompletnie.Żona jeździła tak z dwa tygodnie,wylapałem to dopiero kiedy wziąłem auto do pracy i na autostradzie nastąpiło wypalanie FAP (pełen przelot ).Od tamtej pory auto na jedynce nie jechało w ogole. Założylismy nowy wydech,jednak auto nadal było mułowate. Dopiero dziś zrobiłem adaptacje przepustnicy wydechu i jest jakby lepiej,ale nadal nie do konća . Auto pompuje około bar w przedziale 1600-1800/900,turbina rozkręca sie dopiero przy 2000-2100 obrotów na zadane 1.55 i scenic rusza żwawo do przodu.
Zastanawiam się czy ten wydech coś za sobą pociągnał,czy wystarczyło tylko zaadaptować inną przepustnice ,czy może jeszcze to fakt że pojeździlismy 2.0dci 150 i tylko się nam wydaję i było tak zawsze (laguna przyspiesza dość agresywnie w porównaniu do scenica). Wartości EGR i przepływomierza plynnie zmieniają się w trakcie obciązenia,auto nie ma żadnych błędów.-
- 23 odpowiedzi
Wybrany przez
Krzychu, -
-
Nawiew tylnej kanapy - Megane 3
LastSoul93 opublikował(a) temat w Forum Ogólne,
Witam, planuje zakup Megane 3 Grandtour. Przegladajac ogloszenia nie widze aby jaka kolwiek miala nawiew na tylnia kanape. Pytanie czy jesrt to do zrobienia ? Może części z laguny 3 beda pasować ? Robił, ktoś cos podobnego ? Wymysliłem sobie kupno M3 1.5 dCi 110km, do tego chciałbym na start zrobić chip zeby podniesc moment obrotowy i zyskać pare km. Później chciałbym wrzucić jeszcze radio 2din z możliwością podpięcia kamery cofania i gniazdo zapalniczki lub usb do ladowania dla pasazera z tylu. Aczkolwiek najbardziej mnie nurtuje czy jest opcja na ten nawiew do tylu dla pasażerów. Jeżeli to pomocne... jestem gotow zrezygnować z tego joysticka jesli takowa wersja jaka kupie bedzie go posiadać. jezeli bedzie trzeba zmienić caly ten tunel . Dla mnie jest elementem zbędnym. W tym miejscu bardziej pasowałby jakis schowek z zasuwana roletka, albo poprostu miejsce na kubek.
Jesli był taki temat poruszany to podlinkujcie. Nie znalazlem nic co by zaspokoiło moje pytania. Widziałem wątek o M4 ale te auta chyba troszeczke sie różnią ?
REGULAMIN Forum się kłania pkt 5.6 - Prezes
-
- 25 odpowiedzi
Wybrany przez
Krzychu, -
-

Rekomendowane odpowiedzi
Dołącz do dyskusji
Możesz dodać zawartość już teraz a zarejestrować się później. Jeśli posiadasz już konto, zaloguj się aby dodać zawartość za jego pomocą.