Skocz do zawartości

Nasza strona utrzymywana jest wyłącznie z reklam. Dlatego prosimy o wyłącznie AdBlocka w przeglądarce podczas korzystania z witryny https://megane.com.pl

Sklep z częściami do Renault - sprawdź iParts.pl

Wskaźnik paliwa - czy komputer wyłączy silnik?


Teddi Bear

Rekomendowane odpowiedzi

  • 3 tygodnie później...

Dzisiaj zastosowałem bardzo skomplikowaną :roll: technikę aktualizowania wskaźnika poziomu benzyny. Nie chcę kasować stanów pośrednich liczników z komputera (np przejechany dystans pośredni) !

Stan rzeczywisty benzyny to ok 1/2 baku. Stan wskazywany przy parkowaniu dziś rano - wskazówka wchodzi na rezerwę.

 

1. Silnik zimny

2. otworzyłem drzwi, wrzuciłem kurtkę na siedzenie pasażera

3. nacisnąłem mocno rękoma na próg od strony kierowcy aby zakołysać autem 2-3 razy

4. wsiadłem, włożyłem kartę, zamknąłem drzwi i odpaliłem Meggi

Stan wskaźnika zaktualizował się ponieważ pokazał ok 1/2 baku .

UFF. ;-)

Za 3-4 dni ponowię próbę.

Odnośnik do komentarza
Udostępnij na innych stronach

Nie , to nie pływak. Wskazania są aktualizowane w oparciu o wtryśniętą porcję paliwa (czas działania wtryskiwaczy ). Dlatego poziom paliwa w baku pokazywany przez wskaźnik nie reaguje na podskoki, kołysanie itd. Poziom jest wyliczany i to z dużą dokładnością. Ale komp nie wie że przez wtryskiwacz nie leci PB (bo przez inny płynie "LPG"). I daje się oszukać niestety. ;)

W zagazowanych II-kach montuje się tzw "emulator benzyny" (200-250zetów) który uruchamiany jest tylko jeden raz podczas rozruchu, który powoduje 'w skrócie ' wymuszenie rezystancji czujnika sprzężonego z pływakiem równej lub nieco większej niż 20 Ohms.

To powoduje że komp stwierdza zaistnienie tankowania a więc wymuszenie w kompie procedury ustalenia rzeczywistego poziomu w baku. Stąd kiedyś miałem pytanie jaki to musi być przyrost poziomu benzyny na stojącym pojeżdzie (czyli poziom nie powinien się wtedy huśtać - a jeśli większy niż przed chwilą tzn chyba tankujemy ;) ). Tankowanie 5 ltr też aktualizuje poziom - sprawdziłem

Odnośnik do komentarza
Udostępnij na innych stronach

Dzisiaj zastosowałem bardzo skomplikowaną :roll: technikę aktualizowania wskaźnika poziomu benzyny. Nie chcę kasować stanów pośrednich liczników z komputera (np przejechany dystans pośredni) !

...

Ja u siebie mam dwa liczniki czesciowe (nie wspominajac o liczniku glownym)- licznik trasy i licznik od tankowania.

Kiedy ja kasuje metoda wyjscia z trybu testowego licznik cześciowy kilometrow trasy mi sie nie kasuje - tylko przy tankowaniu go zeruje dzieki czemu przy nastepnym tankowaniu wiem ile przejechalem na zbiorniku (kasuja mi sie pozostale tj: srednie spalanie, zuzyte litry od tankowania, kilometry od stacji).

Ale z ciekawosci sprawdze czy zadziala metoda z bujaniem jak tylko mi sie rezerwa zaswieci ;)

Odnośnik do komentarza
Udostępnij na innych stronach

  • 2 miesiące temu...

Prawidłowe rozwiązanie podaje Kocuper na http://megane.com.pl/viewtopic.php?t=5179.

 

Oglądając schemat blokowy działania systemu sprawdzania poziomu benzyny oraz schemat 3-187 w Visu , biorąc pod uwagę wczesniejsze doswiadczenia z hustaniem bakiem (autem) zamontowałem testowy układ poziomowania. Polega on na dołączaniu za pomocą wyłacznika niestabilnego (takiego podobnego do wyłącznika z myszki komputerowej) opornika o wartości 100 Ohms/ 2W.

Rezystor dołączany jest równolegle do rezystancji czujnika poziomu paliwa ale tylko wtedy gdy celowo nacisnę na przycisk. Jeśli zostanie to wykonane w momencie naciskania na "START" silnika następuje wprowadzenie do komputera informacji - zatankowano ! - i już.

100 Omów wystarcza na pokazanie 2/3 baku przy poprzednio wskazywanej rezerwie. To działa. Koszt : 1zł rezystor 100Ohms/2W 3-5m przewodu (wykorzystałem 2x0,75mm ze starych słuchawek, przycisk niestabilny. Podłączyłem się przez dolutowanie do dwóch białych przewodów z 4-ro przewodowej wiązki wychodzącej z pokrywy nad bakiem pod tylnym prawym siedzeniem. Dla wygody montazu potrzebowałem zdemontować aluminiową osłonę wiązki (klucz Torx 20) . Przycisk przylepiłem taśmą do rączki hamulca z prawej. Trwają prace nad ulepszeniem i automatyzacją :?:

Potwierdza się również info o automatycznej korekcie jesli poziom przekroczył 1/2 baku ! (po ok 15 sekundach) Procedura korygowania musi być poprzedzona wyjęciem karty. ;-)

Odnośnik do komentarza
Udostępnij na innych stronach

  • 3 tygodnie później...

Tak jak mówiłem zastosowałem przekaźnik czasowy generujący impuls o ustalonej długości z chwilą podania zasilania. Przekaźnik został zasilony ze złącza pompy paliwowej - generuje impulsik o długości 1,5 sek z chwilą załaczenia pompy. Wbudowany wewnątrz przekaźniczek zwiera na te właśnie 1,5 sek przewody czujnika paliwa rezystorem ok 19 Ohms 15W .

Wartość ta dobrana została po doświadczeniach z jazdą na 1/4 baku benzyny (rzeczywisty poziom). Z chwilą rozruchu wskażnik paliwa przyjmuje wartość ponad 3/4 baku by po ok 20 sekundach przyjąć stan rzeczywisty tj ok 1/4 baku. Początkowe próby z 120 , 100, 47 Ohms mimo wyrażnego "przyrostu" poziomu nie wymuszają (przy 1/4 rzeczywistego) przejścia do przejscia do stanu rzeczywistego. Stąd mój wniosek że procedura urzeczywistnienia poziomu startuje napewno gdy "nowy" poziom przez chwilę przejdzie przez dwa punkty kontrolne . Dla mnie jest to "poziom" ponad 3/4. Poprzednie ręczne rozwiązanie zostało zastąpione automatycznym. Podczas uzupełniania paliwa będę starał się nie przekraczać dotankowania ponad 1/4 baku. I tyle ;-)

Aby nie męczyć się z rozlutowywaniem wstawiłem pomiędzy wiązkę baku a przekaźnik czasowy złącze z instalacji głośnikowej ISO (8 styków 2 rzędy po 4) - 4 styki wykorzystałem.

Odnośnik do komentarza
Udostępnij na innych stronach

Może ktoś by wymyślił jakiś układ który pokazywał by stan ilości gazu w miejscu gdzie jest wskaźnik paliwa. Oczywiście gdy jadę na benzynie wskazuje ilość benzyny w baku, a gdy przełączy się na gaz to ilość gazu w butli. I jeszcze jedno oczywiście średnie zużycia gazu i benzyny odpowiednio do tego na czym aktualnie jedziemy i ile jeszcze przejedziemy ... :?:

To taki układ rozwiązał by cały problem i nie było by tego forum :!::?::!::?: ;)

 

[ Komentarz dodany przez: gojgien: 2008-01-29, 12:24 ]

Aleś doładował hehehe ;) Może nie było by tego tematu, myślę, że forum by jednak było. ;)

Odnośnik do komentarza
Udostępnij na innych stronach

Tazesz, Żadna filozofia zrobić coś takiego - z tym że dokładność pomiaru gazu pozostawiałaby wiele do zyczenia..

Nie pamiętam w którym wątku ale temat był przerabiany - ktoś sobie wymyślił że podłączy kontrolke od gazu do orginalnej obok liczników i właśnie wskaźnik do wskżnika benzyny :?:

Odnośnik do komentarza
Udostępnij na innych stronach

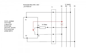
Poniżej schemacik. Zastosowałem RE-4-PE11BU z demontażu ( niestety trzeba podmienić wewnętrzny przekaźnik z 24V na 12V aby poprawnie działał ). Dodatkowy rezystor 16 Ohms zabudowałem wewnątrz przekaźnika czasowego (równolegle połaczone 47 i 33 ohms ).

Końcówki P1 i P2 można podłaczyć zamiennie - przekaźnik posiada wewnatrz układ prostownika. Końcówki B1 i B2 również można zamienić między sobą łacząc do 15 i 18.

Docelowym miejscem przekażnika jest spód aluminiowej osłony nad pokrywą otworu nad bakiem pod tylną prawą kanapą - pasek zaciskowy spełni nasze oczekiwania ;-)

 

Na rys jest błąd. Końcówka 16 powinna być oznakowana jako 18. Już mi sie nie chce korygować

post-95-1201632017_thumb.jpg

Odnośnik do komentarza
Udostępnij na innych stronach

  • 2 miesiące temu...

Jako, że i ja od niedawna mam założone LPG do MII, problem fałszywej rezerwy paliwa denerwował i mnie. Rozwiązałem go minimalnie inaczej niż Grzechub. Nie chciałem być uzależniony od faktycznego poziomu paliwa w baku podczas aktualizacji, dlatego w tym czasie rezystor nie jest podłączany równolegle z czujnikiem poziomu paliwa tylko zamiast niego.

Wystarczy do tego jeden przekaźnik czasowy (z jedną para styków zw/rozw) i typowy rezystor 22Ohm.

Jako, że przekażnik czasowy jest raczej trudny do zdobycia (w rozsadnej cenie) zrobiłem go sam.

59_1208398371.gif tutaj jest prosty schemat.

Przekaźnik przesterowywany jest na 3s po odpaleniu silnika. Po tym czasie znowu jest podłączany czujnik poziomu paliwa.

Układ działa tak:

Niezależnie ile w baku jest paliwa, po odpaleniu silnika wskaźnik pokazuje full. Po ok. 30-40s wskazanie wędruje na zaktualizowaną pozycję.

Całkowity koszt emulatora wyniósł mnie ok 6zł :P Większość elementów miałem w domu lub zdemontowałem z jakiegoś elektronicznego złomu. Oczywiście wzór plytki drukowanej jest mojego autorstwa i stanowił on największa trudnośc projektu.

Cały układ z zamontowanym przekaźnikiem i dodatkowym rezystorem 22Ohm 3W wyszedł tak:

post-3-1209470371_thumb.jpg

post-1-1209470371_thumb.jpg

post-3-1209470371_thumb.gif

Odnośnik do komentarza
Udostępnij na innych stronach

Dołącz do dyskusji

Możesz dodać zawartość już teraz a zarejestrować się później. Jeśli posiadasz już konto, zaloguj się aby dodać zawartość za jego pomocą.

Gość
Dodaj odpowiedź do tematu...

×   Wklejono zawartość z formatowaniem.   Usuń formatowanie

  Dozwolonych jest tylko 75 emoji.

×   Odnośnik został automatycznie osadzony.   Przywróć wyświetlanie jako odnośnik

×   Przywrócono poprzednią zawartość.   Wyczyść edytor

×   Nie możesz bezpośrednio wkleić grafiki. Dodaj lub załącz grafiki z adresu URL.

  • Videos

  • Ogłoszenia

  • Polecana zawartość

    • Renault 5 E-Tech Electric: Start sprzedaży wersji Roland-Garros – hołd dla sportowej elegancji
      Renault 5 E-Tech Electric: Start sprzedaży wersji Roland-Garros – hołd dla sportowej elegancji
       
      Renault oficjalnie rozpoczęło sprzedaż nowej, ekskluzywnej wersji specjalnej modelu Renault 5 E-Tech Electric Roland Garros. To unikalne połączenie elegancji i sportowego charakteru, które oddaje ducha legendarnego turnieju tenisowego i francuskiego stylu. Ceny startują od 157 900 zł, a model kwalifikuje się do rządowych dopłat w ramach programu NaszEauto, co dodatkowo zwiększa jego atrakcyjność na rynku.
      • 0 odpowiedzi
    • Renault Megane GrandCoupe z silnikiem wysokoprężnym 1.5 dCi
      Renault Megane GrandCoupe z silnikiem wysokoprężnym 1.5 dCi – nowa opcja dla oszczędnych kierowców
      Renault Polska ogłasza rozszerzenie oferty modelu Megane GrandCoupe o wariant z silnikiem wysokoprężnym 1.5 dCi o mocy 115 KM. Nowa wersja trafi do salonów już w marcu 2025 roku, oferując ekonomiczne spalanie i wydłużony zasięg na jednym baku. Ceny startują od 113 900 zł za wersję evolution oraz 117 400 zł za wersję techno z 7-biegową, automatyczną skrzynią EDC.
      Oszczędność paliwa i większy zasięg
      Nowy wariant Megane GrandCoupe będzie napędzany sprawdzoną jednostką 1.5 dCi, znaną z innych modeli marki. Silnik generuje 115 KM, a średnie zużycie paliwa wynosi 4,6-4,7 l/100 km, co oznacza, że jest o około litr oszczędniejszy od wersji benzynowej. Dzięki zbiornikowi paliwa o pojemności 50 litrów, samochód może przejechać nawet 1060 km na jednym tankowaniu. Niższa emisja CO₂ (120-124 g/km) czyni go także bardziej ekologicznym wyborem.
      Nowa wersja silnikowa będzie atrakcyjną propozycją zarówno dla kierowców pokonujących długie trasy, jak i dla klientów flotowych, którzy cenią sobie niskie koszty eksploatacji.
      Bogate wyposażenie w standardzie
      Megane GrandCoupe 1.5 dCi dostępne będzie w dwóch wariantach wyposażeniowych:
       
      Evolution (113 900 zł) – w standardzie oferuje m.in.:
      Systemy wspomagania kierowcy: ostrzeżenie o nadmiernej prędkości, kontrola bezpiecznej odległości, aktywne hamowanie AEBS, asystent pasa ruchu. Dwustrefową klimatyzację automatyczną. 7-calowy ekran TFT w zestawie wskaźników. System multimedialny Easy Link 7" (DAB, Bluetooth®, 2 x USB/jack, 2 x USB dla pasażerów tylnych siedzeń). Bezprzewodową replikację ekranu smartfona.
        Techno (117 400 zł) – oprócz wyposażenia evolution dodatkowo oferuje:
      System multi-sense, który pozwala na personalizację ustawień jazdy. Kartę Renault Hands Free z funkcją powitalną. Światła przednie Full LED „Pure Vision”. 17-calowe aluminiowe felgi. Klasyczna elegancja i praktyczność
      Megane GrandCoupe czwartej generacji to stylowy sedan o długości 4,63 m, oferujący przestronne wnętrze oraz dużą pojemność bagażnika – 503 litry (po złożeniu tylnych siedzeń – 987 litrów). Charakterystyczna linia nadwozia i elegancki design sprawiają, że samochód wyróżnia się na tle konkurencji.
      Pełna oferta Megane GrandCoupe
      Obok nowej wersji wysokoprężnej, Renault oferuje Megane GrandCoupe również z silnikiem benzynowym, spełniającym najnowsze normy GSR2 (General Safety Regulation 2):
      TCe 140 w wersji Evolution – od 101 900 zł. TCe 140 EDC Techno – od 111 400 zł. Nowa opcja 1.5 dCi uzupełnia gamę silnikową, dając klientom wybór między dynamiczną benzyną a oszczędnym dieslem.
       
      Źródło: Renault
       
        
       
       
       
        • +1
      • 0 odpowiedzi
    • Renault otwiera pierwsze Renew Factory w Polsce
      Grupa Renault, we współpracy z KrubaGroup, inauguruje pierwsze Renew Factory w Polsce – zakład dedykowany renowacji samochodów używanych marki Renault, Dacia oraz innych producentów.
        • +1
      • 1 odpowiedź
    • Ciśnienie na turbinie poniżej 2000rpm. Ile powinno wynosić? K9K636
      Pytanie jak w tytule. Ile powinno wynosić prawidłowe ciśnienie na turbinie poniżej dwóch tysięcy obrotów? Ostatnio mam wrażenie ,że nasz Scenic robił się strasznie ospały. Przerdzewiał wydech na samej przepustnicy, i wypiął się kompletnie.Żona jeździła tak z dwa tygodnie,wylapałem to dopiero kiedy wziąłem auto do pracy i na autostradzie nastąpiło wypalanie FAP (pełen przelot ).Od tamtej pory auto na jedynce nie jechało w ogole. Założylismy nowy wydech,jednak auto nadal było mułowate. Dopiero dziś zrobiłem adaptacje przepustnicy wydechu i jest jakby lepiej,ale nadal nie do konća . Auto pompuje około bar w przedziale 1600-1800/900,turbina rozkręca sie dopiero przy 2000-2100 obrotów na zadane 1.55 i scenic rusza żwawo do przodu. 
       
      Zastanawiam się czy ten wydech coś za sobą pociągnał,czy wystarczyło tylko zaadaptować inną przepustnice ,czy może jeszcze to fakt że pojeździlismy 2.0dci 150 i tylko się nam wydaję i było tak zawsze (laguna przyspiesza dość agresywnie w porównaniu do scenica). Wartości EGR i przepływomierza plynnie zmieniają się w trakcie obciązenia,auto nie ma żadnych błędów. 
      • 23 odpowiedzi
    • Nawiew tylnej kanapy - Megane 3
      Witam, planuje zakup Megane 3 Grandtour. Przegladajac ogloszenia nie widze aby jaka kolwiek miala nawiew na tylnia kanape. Pytanie czy jesrt to do zrobienia ? Może części z laguny 3 beda pasować ? Robił, ktoś cos podobnego ? Wymysliłem sobie kupno M3 1.5 dCi 110km, do tego chciałbym na start zrobić chip zeby podniesc moment  obrotowy i zyskać pare km. Później  chciałbym wrzucić jeszcze radio 2din z możliwością podpięcia kamery cofania i gniazdo zapalniczki lub usb do ladowania dla pasazera z tylu. Aczkolwiek najbardziej mnie nurtuje czy jest opcja na ten nawiew do tylu dla pasażerów. Jeżeli to pomocne... jestem gotow zrezygnować z tego joysticka jesli takowa wersja jaka kupie bedzie go posiadać. jezeli bedzie trzeba zmienić caly ten tunel . Dla mnie jest elementem zbędnym. W tym miejscu bardziej pasowałby jakis schowek z zasuwana roletka, albo poprostu miejsce na kubek. 
       
      Jesli był taki temat poruszany to podlinkujcie. Nie znalazlem nic co by zaspokoiło moje pytania. Widziałem wątek o M4 ale te auta chyba troszeczke sie różnią ? 
       

      REGULAMIN Forum się kłania pkt 5.6  - Prezes
       
       
      • 25 odpowiedzi
×
×
  • Dodaj nową pozycję...

Nasza strona utrzymywana jest wyłącznie z reklam. Dlatego prosimy o wyłącznie AdBlocka w przeglądarce podczas korzystania z witryny https://megane.com.pl .

Tak, AdBlock został przeze mnie wyłączony!