Sklep z częściami do Renault - sprawdź iParts.pl
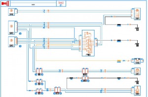
Megane II phI Wyłączająca się wycieraczka szyby tylniej
-
Podobna zawartość
-
Megane II phI Podgrzewanie
Przez Andrzej48,
- 1 odpowiedź
- 157 wyświetleń
-
- 2 odpowiedzi
- 125 wyświetleń
-
- 1 odpowiedź
- 127 wyświetleń
-
- 20 odpowiedzi
- 33892 wyświetleń
-
Megane II phI Taśma FFC
Przez nowy1982,
- 0 odpowiedzi
- 261 wyświetleń
-

Rekomendowane odpowiedzi
Dołącz do dyskusji
Możesz dodać zawartość już teraz a zarejestrować się później. Jeśli posiadasz już konto, zaloguj się aby dodać zawartość za jego pomocą.