wopa Opublikowano 5 Czerwca 2009 Udostępnij Opublikowano 5 Czerwca 2009 Powtórnie wracam do podłączenia autoalarmu. Podłączamy kierunkowskazy oraz czujnik wszystkich drzwi oraz bagażnika do złącza R2 istniejącego w MeganeII (Uwaga: R2 to dwa 52 pinowe złącza obok siebie. Nas interesuje złacze koloru CZARNEGO). Dodatkowo mozna na złaczu R2 podpiąć blokadę autoalarmu (istnieje w SEO) w przypadku otwarcia samego bagażnika z karty. W załącznikach jest prawie wszystko przedstawione. Pierwszy obrazek pokazuje jakie oznaczenia (z gwiazdkami) istnieją w MODULE kabinowym którymi "lecą sygnały te które są nam potrzebne". Kolejne to już schematy porawione z podłączeniem blokady na 20S. W sobotę zabieram się do zakładania alarmu. Teraz się okaże, czy moje założenia były słuszne. Cytuj Odnośnik do komentarza Udostępnij na innych stronach Więcej opcji udostępniania...
Nel Opublikowano 5 Czerwca 2009 Udostępnij Opublikowano 5 Czerwca 2009 Po co komplikować w module kabiny masz te wszystkie potrzebne podłączenia w jednym miejscu.Jeżeli chodzi o drzwi to musisz podłączyć każde osobno i odseparować diodami bo inaczej to jak otworzysz jedne drzw to na liczniku ten samochodzik będzie pokazywał że otworzyłeś wszystkie Cytuj Odnośnik do komentarza Udostępnij na innych stronach Więcej opcji udostępniania...
wopa Opublikowano 5 Czerwca 2009 Udostępnij Opublikowano 5 Czerwca 2009 Nel. Drzwi nie podłączam tam gdzie SEO, tylko do oświetlenia wewnetrznego. A to zupełnie gdzie indziej. Jest to duze ułatwienie, bo podłączam jeden przewód i mam wszystkie drzwi zabezpieczone łącznie z bagaznikiem. Poza tym wygodniej jest podłączyć wszystko pod R2, gdyz łatwiejszy jest dostęp. Jak ktoś chce to moze się gimnastykować pod kierownicą. Ja nie chcę bo po co. Cytuj Odnośnik do komentarza Udostępnij na innych stronach Więcej opcji udostępniania...
Nel Opublikowano 5 Czerwca 2009 Udostępnij Opublikowano 5 Czerwca 2009 Też to próbowałem z oświetleniem ale alarm nie chciał się włączyć ze względu na opóźnione wyłączenia oświetlenia . Alarm traktował to jako otwarte drzwi i ostrzegał mnie że mam nie zamknięte drzwi i nie uzbrajał się. Cytuj Odnośnik do komentarza Udostępnij na innych stronach Więcej opcji udostępniania...
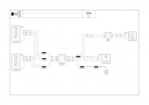
wopa Opublikowano 6 Czerwca 2009 Udostępnij Opublikowano 6 Czerwca 2009 Nie bardzo rozumiem co ma wspólnego opóźnine łagodne wyłączanie oświetlenia. Moduł podając minus (plus jest na stałe) powoduje włączenie oświetlenia, to dlaczego miałby nie włączyć czujnika alarmu. Nawet jak potem minus się wyłączy. Ale zobaczymy. W załączeniu schemat instalacji oświetlenia sufitowego i bagażnika. [213] i [300] - oświetlenie sufitowe przednie i tylne, [165] - oświetlenie bagaznika, [465] - moduł sterowania, [R2) - złącze w progu, [R301] - złacze w słupku przy przedniej szybie. MAM - Masa Elektroniczna (Belka Deski Rozdzielczej Lewa), BPT - zasilanie +12v po akumulatorze, 13E - masa podawana z modułu sterowania. Teoretycznie jest mozliwe, ale mało pradopodobne, że masa zasilania alarmu nie jest masą podawana z modułu. Ale to sprawdzę. Cytuj Odnośnik do komentarza Udostępnij na innych stronach Więcej opcji udostępniania...
Nel Opublikowano 6 Czerwca 2009 Udostępnij Opublikowano 6 Czerwca 2009 Nie zrozumiałeś mnie .Alarm aktywowany jest z czujników otwarcia drzwi lub klap (masa) Jeżeli na przewodzie od alarmu (drzwi) jest masa to traktuje to on jakoby drzwi są nie zamknięte i nie aktywuje się tylko sygnalizuje ze jedne z drzwi są nie zamknięte . A tak się dzieje jak podłączyłem pod ten przewód 13E w czasie naciśniecie przycisku na pilocie zamknij co jest jednoznaczne z "aktywuj alarm" na przewodzie jest jeszcze masa. Jak odczekałem do zgaśnięcia oświetlenia alarm się aktywował normalnie a otwarcie drzwi powodowało uruchomienie alarmu. Cytuj Odnośnik do komentarza Udostępnij na innych stronach Więcej opcji udostępniania...
Lewy Opublikowano 7 Czerwca 2009 Udostępnij Opublikowano 7 Czerwca 2009 Z tego właśnie powodu, alarmy mają regulowany czas ignorowania (do kilkudziesięciu sekund) masy na czujniku drzwi, jeśli podłączamy go do oświetlenia wnętrza. SEO też to ma, ale producent przewidział gotowy schemat i kod dla MII, więc w tym przypadku nie trzeba ustawiać opóźnienia. Cytuj Odnośnik do komentarza Udostępnij na innych stronach Więcej opcji udostępniania...
Nel Opublikowano 7 Czerwca 2009 Udostępnij Opublikowano 7 Czerwca 2009 W SEO też można zmienić czas bez zmiany programu . ale i tak sygnalizował że drzwi są nie zamknięte i nieraz samoistnie po jakimś czasie włączał się alarm więc podpiąłem tak jak na schemacie i teraz jest OK Cytuj Odnośnik do komentarza Udostępnij na innych stronach Więcej opcji udostępniania...
wopa Opublikowano 8 Czerwca 2009 Udostępnij Opublikowano 8 Czerwca 2009 Mnie za bardzo to co napisaliście mnie dotyczy, bo zakładam Legenda i będę miał pilota do tego alarmu. Tzn będę go właczał po zamknięciu centralnego przez hands-free lub czasami przez pilota fabrycznego. Wcześniej tłumaczyłem dlaczego Lenend. Ale dalej nie badzo rozumiem dlaczego w momencie zamknięcia pilotem fabrycznym jest masa na przewodzie od drzwi. Zaknięcie pilotem auta powoduje gwałtowne wyłączenie oświetlenia wewnętrznego i masa wtedy znika. Nie trzeba czekać na wyłączenie oświetlenia jak piszesz. Cytuj Odnośnik do komentarza Udostępnij na innych stronach Więcej opcji udostępniania...
Lewy Opublikowano 8 Czerwca 2009 Udostępnij Opublikowano 8 Czerwca 2009 Nie trzeba czekać na wyłączenie oświetlenia jak piszesz.Może, zależy od tego, gdzie się podepniesz. Cytuj Odnośnik do komentarza Udostępnij na innych stronach Więcej opcji udostępniania...
wopa Opublikowano 8 Czerwca 2009 Udostępnij Opublikowano 8 Czerwca 2009 Wszystko jedno gdzie się podepniesz (mówimy tu o "-" instalacji oświetlenia wewnetrznego) w momecie zamkniecia samochodu przez centralny , automatycznie od razu wyłączaja sie wszystkie swiatła wewnetrzne. No chyba, że są jakieś drzwi niedomknięte, ale wtedy centralny kliknie dwa razy i drzwi nie zamknie a więc i nie wyłaczy się oświetlenie wewnętrzne (sufitowe i bagaznika). Z poprzedniego mojego postu: "...mało pradopodobne, że masa zasilania alarmu nie jest masą podawana z modułu. Ale to sprawdzę..." Właśnie sprawdziłem. Masa ta sama. Cytuj Odnośnik do komentarza Udostępnij na innych stronach Więcej opcji udostępniania...
Lewy Opublikowano 8 Czerwca 2009 Udostępnij Opublikowano 8 Czerwca 2009 w momecie zamkniecia samochodu przez centralny , automatycznie od razu wyłączaja sie wszystkie swiatła wewnetrzneFakt. Zapomniałem o tym. Cytuj Odnośnik do komentarza Udostępnij na innych stronach Więcej opcji udostępniania...
Nel Opublikowano 8 Czerwca 2009 Udostępnij Opublikowano 8 Czerwca 2009 Ja alarm mam już zamontowany więc to co opisuję jest na podstawie praktyki.SEO działa mi dobrze jak podłączyłem go zgodnie ze schematem. SEO jest bezpilotówką i uaktywnia się z oryginalnego pilota lub wciskam guzik na klamce ,Jeżeli wopa chce montować alarm z osobnym pilotem to u niego będzie inaczej - zamyka centralny ,światełko gaśnie, zanika masa - drugim pilotem włącza alarm. Cytuj Odnośnik do komentarza Udostępnij na innych stronach Więcej opcji udostępniania...
wopa Opublikowano 10 Czerwca 2009 Udostępnij Opublikowano 10 Czerwca 2009 Nel. Jak podłączałeś sam alarm to zajrzyj http://megane.com.pl/viewtopic.php?t=14691 i może możesz pomóc Cytuj Odnośnik do komentarza Udostępnij na innych stronach Więcej opcji udostępniania...
Nel Opublikowano 10 Czerwca 2009 Udostępnij Opublikowano 10 Czerwca 2009 Tak właśnie przeprowadziłem jak pisze Quba Cytuj Odnośnik do komentarza Udostępnij na innych stronach Więcej opcji udostępniania...
Rekomendowane odpowiedzi
Dołącz do dyskusji
Możesz dodać zawartość już teraz a zarejestrować się później. Jeśli posiadasz już konto, zaloguj się aby dodać zawartość za jego pomocą.