Sklep z częściami do Renault - sprawdź iParts.pl
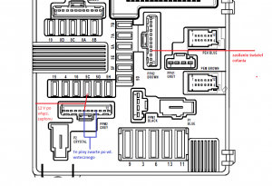
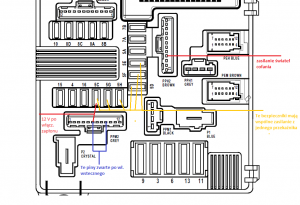
Megane II phI Czujnik świateł cofania w skrzyni biegów
-
Podobna zawartość
-
- 0 odpowiedzi
- 455 wyświetleń
-
- 0 odpowiedzi
- 420 wyświetleń
-
Megane II phI Podgrzewanie
Przez Andrzej48,
- 1 odpowiedź
- 919 wyświetleń
-
- 2 odpowiedzi
- 636 wyświetleń
-
- 1 odpowiedź
- 486 wyświetleń
-

Rekomendowane odpowiedzi
Dołącz do dyskusji
Możesz dodać zawartość już teraz a zarejestrować się później. Jeśli posiadasz już konto, zaloguj się aby dodać zawartość za jego pomocą.