Skocz do zawartości

Nasza strona utrzymywana jest wyłącznie z reklam. Dlatego prosimy o wyłącznie AdBlocka w przeglądarce podczas korzystania z witryny https://megane.com.pl

Sklep z częściami do Renault - sprawdź iParts.pl

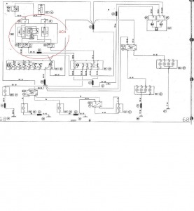
biala płyka z przekaznikami megane


DruM

Rekomendowane odpowiedzi

mam tez pytanie dot. przekaznika oznaczonego kolkiem na tym obrazku

http://zapodaj.net/712d90dbc05c5.jpg.html

czy tez mozna bez zastrzezen wymienic bo kazdy ma inny zolty numerek na innym module///

 

lapka2.gif

Regulamin pkt. 5.6 - pl-literki

Otaguj zdjęcie tak aby wyświetlało się na forum.

P_r_z_e_m_o

Odnośnik do komentarza
Udostępnij na innych stronach

Witam,

 

U mnie problem jest z lewym migaczem. W momencie włączenia słychać bardzo szybkie przełącznie przekaźnika. Początkowo lewy migacz zaczął "wariować"; migać szybko 3 razy, później wracało do normy. Teraz w momencie włączenia zdaża się, że raz zaświecą się lampy i koniec. Prawy migacz działa prawidłowo.

 

Mieliście może kiedyś podobny problem? Czy problemu tej usterki też trzeba szukać w UCH?

 

Żarówki wszystkie wymienione na nowe, sprowadzone styki na każdej z oprawek, napięcie na każdej z lamp lewego kierunkowskaza "skacze" na chwile z ok 0,2mV na 0,5mV w momencie przełączania przekaźnika.

Edytowane przez P_r_z_e_m_o
Odnośnik do komentarza
Udostępnij na innych stronach

Sprawdź masy i stan kabli, możliwe, że któryś jest przetarty i robi się zwarcie.

Zobacz co dzieje się z tylnymi lampami w momencie włączenia kierunkowskazów, naciśnięcia hamulca lub włączenia wstecznego.

Odnośnik do komentarza
Udostępnij na innych stronach

Dzięki za pomoc. Dzisiaj sprawdzę resztę kabli.

 

Masę na tylnych lampach sprawdzałem, jest ok. Dodatkowo wszystkie kostki w lampach zalałem płynem do czyszczenia styków.

Edytowane przez Boczus
Odnośnik do komentarza
Udostępnij na innych stronach

  • 8 miesięcy temu...
  • 1 rok później...

witam,

mam pytanie, jak się otwiera to UCH zwane modułeem komfortu BSI ?

Strzeliła nagrzewnica zalewając bezpieczniki i zaczoł piszczeć przekażnik Siemens V23076-A1001-C133 nie wiedziałem jak go wyjąć to poprosiłem mechanika, a on podwarzył śrubokrętem i go wyrwał. Ot i mam kłopot ,zakupiłem już trzecią skrzynkę tym razem z wyższymi numerami tj. 7703297183G S103600300J ( a była 7703297182G A S103600200J )ale chciałem spróbować wlutować w taśmę przekaźnik, ale nie mogę wyjąć na wierzch zawartości.

Białe ustąpiło na 2 cm. ale środek trzyma sztywno. datego prosiłbym o podpowiedz.

Pozdrawiam Tadeusz

Edytowane przez P_r_z_e_m_o
Odnośnik do komentarza
Udostępnij na innych stronach

Dołącz do dyskusji

Możesz dodać zawartość już teraz a zarejestrować się później. Jeśli posiadasz już konto, zaloguj się aby dodać zawartość za jego pomocą.

Gość
Dodaj odpowiedź do tematu...

×   Wklejono zawartość z formatowaniem.   Usuń formatowanie

  Dozwolonych jest tylko 75 emoji.

×   Odnośnik został automatycznie osadzony.   Przywróć wyświetlanie jako odnośnik

×   Przywrócono poprzednią zawartość.   Wyczyść edytor

×   Nie możesz bezpośrednio wkleić grafiki. Dodaj lub załącz grafiki z adresu URL.

×
×
  • Dodaj nową pozycję...

Nasza strona utrzymywana jest wyłącznie z reklam. Dlatego prosimy o wyłącznie AdBlocka w przeglądarce podczas korzystania z witryny https://megane.com.pl .

Tak, AdBlock został przeze mnie wyłączony!