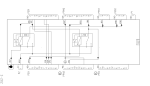
Megane II phI Opis przeznaczenia przekaźników w UPC Megane II
-
Podobna zawartość
-
- 1 odpowiedź
- 82 wyświetleń
-
- 20 odpowiedzi
- 33650 wyświetleń
-
Megane II phI Taśma FFC
Przez nowy1982,
- 0 odpowiedzi
- 229 wyświetleń
-
- 10 odpowiedzi
- 7001 wyświetleń
-
Megane II phI Błąd DEFICIENCIA ELECTRONIC,zawieszenie wyświetlacza, pojawia się po użyciu kierunkowskazów
Przez mardos,
- kierunkowskazy
- Komputer
- (i 1 więcej)
- 0 odpowiedzi
- 167 wyświetleń
-

Rekomendowane odpowiedzi
Dołącz do dyskusji
Możesz dodać zawartość już teraz a zarejestrować się później. Jeśli posiadasz już konto, zaloguj się aby dodać zawartość za jego pomocą.