Sklep z częściami do Renault - sprawdź iParts.pl
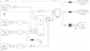
Megane II phI Autoalarm
-
Podobna zawartość
-
Megane II phI Podgrzewanie
Przez Andrzej48,
- 1 odpowiedź
- 249 wyświetleń
-
- 2 odpowiedzi
- 161 wyświetleń
-
- 1 odpowiedź
- 152 wyświetleń
-
- 20 odpowiedzi
- 34023 wyświetleń
-
Megane II phI Taśma FFC
Przez nowy1982,
- 0 odpowiedzi
- 277 wyświetleń
-

Rekomendowane odpowiedzi
Dołącz do dyskusji
Możesz dodać zawartość już teraz a zarejestrować się później. Jeśli posiadasz już konto, zaloguj się aby dodać zawartość za jego pomocą.