Nasza strona utrzymywana jest wyłącznie z reklam. Dlatego prosimy o wyłącznie AdBlocka w przeglądarce podczas korzystania z witryny https://megane.com.pl
Sklep z częściami do Renault - sprawdź iParts.pl
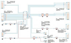
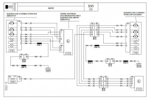
Ogólne megane II 2005 1.5 dCi wymiana lusterek na elektryczne
-
Videos
-
Ogłoszenia
-
SPRZEDAŻ
Sprzedam felgi stalowe 15 wraz z czujnikami TPSM i kołpakami
Przez El_Pablo
29 dni i 21 godzin
300.00 PLN -
POSZUKUJĘ
-
SPRZEDAŻ
Koła komplet RENAULT MEGANE IV MICHELIN PRIMACY 4 - 205/55R16 lato
Przez s27
29 dni i 19 godzin
1,350.00 PLN -
SPRZEDAŻ
Megane II Scenic II kilka rzeczy - czytnik karty + antena
Przez Mariusz0904
29 dni i 18 godzin
Nie podano wartości -
POSZUKUJĘ
Kupię boczek drzwi kierowcy do Megane II CC
Przez Mariusz0904
29 dni i 18 godzin
Nie podano wartości
-
SPRZEDAŻ
-
Polecana zawartość
-
Nawiew tylnej kanapy - Megane 3
LastSoul93 opublikował(a) temat w Forum Ogólne,
Witam, planuje zakup Megane 3 Grandtour. Przegladajac ogloszenia nie widze aby jaka kolwiek miala nawiew na tylnia kanape. Pytanie czy jesrt to do zrobienia ? Może części z laguny 3 beda pasować ? Robił, ktoś cos podobnego ? Wymysliłem sobie kupno M3 1.5 dCi 110km, do tego chciałbym na start zrobić chip zeby podniesc moment obrotowy i zyskać pare km. Później chciałbym wrzucić jeszcze radio 2din z możliwością podpięcia kamery cofania i gniazdo zapalniczki lub usb do ladowania dla pasazera z tylu. Aczkolwiek najbardziej mnie nurtuje czy jest opcja na ten nawiew do tylu dla pasażerów. Jeżeli to pomocne... jestem gotow zrezygnować z tego joysticka jesli takowa wersja jaka kupie bedzie go posiadać. jezeli bedzie trzeba zmienić caly ten tunel . Dla mnie jest elementem zbędnym. W tym miejscu bardziej pasowałby jakis schowek z zasuwana roletka, albo poprostu miejsce na kubek.
Jesli był taki temat poruszany to podlinkujcie. Nie znalazlem nic co by zaspokoiło moje pytania. Widziałem wątek o M4 ale te auta chyba troszeczke sie różnią ?
REGULAMIN Forum się kłania pkt 5.6 - Prezes
-
- 25 odpowiedzi
Wybrany przez
Krzychu, -
-
Jak sprawdzić kod silnika?
nyerik opublikował(a) temat w Forum Ogólne,
Czy można jakoś odczytać kod silnika i skrzyni biegów z naklejki czy VINu? Jeśli tak to jak?-
- 11 odpowiedzi
Wybrany przez
Krzychu, -
-
Pierwsza wymiana oleju - Megane IV
Szaraj0 opublikował(a) temat w Zakup - Megane IV,
Cześć, w przeciągu dwóch tygodni mam odebrać swoje megane 1.3 tce 140.
Powiedzcie proszę bo gdzieś wyczytałem, że nowoczesne silniki wraz z olejami są tak skonstruowane, że nie trzeba wymieniać oleju po 1000-2000km od wyjechania z salonu.
Jak to w praktyce wygląda aby samochód służył długie lata?-
- 34 odpowiedzi
Wybrany przez
Krzychu, -
-
Dynamiczny kierunkowskaz led - przód
mati0394 opublikował(a) temat w Elektr.-Ogólne - Megane IV, Scenic IV,
Witam, zamontowałem pasek led wewnątrz oryginalnego klosza na kierunkowskaz, wygląda dużo lepiej, jedyny problem jaki mam do rozwiązania to przerywnik, na awaryjnych działa normalnie natomiast przy używaniu jednego kierunku mruga szybko jakby była spalona żarówka, nie wiem czy bawić się w oporniki czy da się coś ustawić w ddt4all ?
-
- 13 odpowiedzi
Wybrany przez
Krzychu, -
-
Co dziś zrobiłeś dla swojego autka?
tomek42007 opublikował(a) temat w Offtopic / Fun,
Pomysł zapożyczyłem z innego forum i wydaje mi się, że nie jest głupi
Więc ja zacznę: zamówiłem 2 żarówki h4 Philips X-treme 8-)-
-
- 5805 odpowiedzi
Wybrany przez
Krzychu, -
-

Rekomendowane odpowiedzi
Dołącz do dyskusji
Możesz dodać zawartość już teraz a zarejestrować się później. Jeśli posiadasz już konto, zaloguj się aby dodać zawartość za jego pomocą.