Skocz do zawartości

Nasza strona utrzymywana jest wyłącznie z reklam. Dlatego prosimy o wyłącznie AdBlocka w przeglądarce podczas korzystania z witryny https://megane.com.pl

Sklep z częściami do Renault - sprawdź iParts.pl

Pierwsze zakupy do Megane II 1.4 - jaki osprzęt przy dolocie? + INNE


Dziony

Rekomendowane odpowiedzi

4 godziny temu, Dziony napisał:

 

Na 1000 % w każdym samochodzie z silnikiem benzynowym jest filtr paliwa i powinien on być wymieniany

Na 1000% w wielu modelach po 2000r filtr paliwa w benzynie nie istnieje a w nowych modelach w żadnym już nie ma oprócz tego co we wkładzie pompy paliwa. Nie ma zalecenia wymiany. A to że na rynku coś istniej nie oznacza że rynek ma rację. Zapytasz w ASO to otrzymasz właściwą odpowiedź.

Odnośnik do komentarza
Udostępnij na innych stronach

8 godzin temu, carsik napisał:

:lapka:

REGULAMIN Forum się kłania pkt 5.9 :!: - Prezes 

Raz widziałem taki zainstalowany w M2PH1 z 2002. Mocowany był w dwóch obejmach przy tylnym lewym nadkolu. Być może ktoś sam go dołożył. Filtr oparów był również.

Odnośnik do komentarza
Udostępnij na innych stronach

4 godziny temu, aniewa napisał:

No nie w każdym, chyba, że masz na myśli sitko na smoku.  Z tymi 1000% po prostu przesadziłeś. Kupiłeś filtr paliwa awansem nie sprawdzając czy go posiadasz. Żebyś tylko przypadkiem nie wymienił pochłaniacza par paliwa.

 

Regenerował wkład pochłaniacza par paliwa w Xsarze - a w zasadzie to go wymieniałem - wkład ... razem z elektrozaworem, więc wiem jak on wygląda. W Xsarze jest on podobnie umieszczony, przy nadkolu u góry po prawej stronie.

Z tego co pamiętam to jest tam zasypany wkład węglowy - nie bezpośrednio w obudowie, w postaci karbonowych granulek - węgla. Nagrałem kamerą i zrobiłem zdjęcia.

 

Co do filtra paliwa to był on w Xsarze przy progu, ale gdy pytałem w sklepie z prośbą o sprawdzenie w katalogach to właśnie odpisali mi, jak ktoś już wcześniej wspomniał, że jest niewymienialny i w związku z tym nie mają go w ofercie. Kupiłem filtr paliwa Mann, chyba taki sam, jak na wcześniejszym zdjęciu.

Zastanówcie się ... silnik zasilany paliwem płynnym. Czy w takim układzie powinien być dobry filtr paliwa?

 

Nawet jeśli go tam nie ma to oczywiście założę. Możecie się ze mnie śmiać ... nie przeszkadza mi to, bo na co komu filtry ??? Przecież komory spalania zmielą i częściowo spalą wszystko lub prawie wszystko ?

 

  

3 godziny temu, carsik napisał:

Na 1000% w wielu modelach po 2000r filtr paliwa w benzynie nie istnieje a w nowych modelach w żadnym już nie ma oprócz tego co we wkładzie pompy paliwa. Nie ma zalecenia wymiany. A to że na rynku coś istniej nie oznacza że rynek ma rację.

 

Całkiem możliwe. Może być to jawne odniesienie do interwałów wymiany oleju co 30 000 tyś km. Niby nie trzeba a często można przeczytać komentarze o "zaciąganiu syfu z baku" i późniejszych problemach.

 

 

Wracając ... rozebrałem już część kolektora i wyciągnąłem cewki. Oczyściłem wszystko wstępnie i odkurzyłem te dziury po cewkach. Na dnie są świece, ale nie mogłem znaleźć odpowiedniego klucza. Jutro poszukam. Zanim poznosiłem na raty, te wszystkie do garażu graty to trochę czasu minęło i tak zastała mnie 22:00 ?

Cieszę się, że nie robię tego pod chmurką. To duże udogodnienie. Większość życia przemieszkałem w blokowiskach a tutaj, dopiero po śmierci właściciela domu, mogę skorzystać z tego garażu.

 

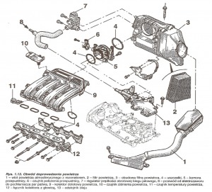
Mam kilka obrazkowych pytań, zerknijcie proszę. Chodzi mi o tą pokrywę łapy silnika i taką nakładkę aluminiową przed kolektorem ssącym.

Jutro wykręcę świece i bez karty w kieszeni zakręcę rozrusznikiem z akumulatora na każdym cylindrze z podłączonym testerem kompresji - tym z Yato. Rozrusznik powinien bez większych oporów i swobodnie kręcić wałem.

 

W kwestii rozrządu jeszcze ... widzę tam dodatkową rolkę prowadzącą, czyli kupując dedykowany komplet ona także powinna być?

I jeszcze zrobiłem zdjęcie naklejki z boku nadwozia. Co wynika z tych symboli i oznaczeń? Nośność i vin to wiadomo, ale pozostałe oznaczenia?

 

 

IMG_2638.JPG

IMG_2655zm.jpg

IMG_2643zm.jpg

IMG_2655zmm.jpg

IMG_2658.JPG

IMG_2660.JPG

 

Megane uklad ssacy.jpg

rozrzad.jpg

P_20230122_164344.jpg

Edytowane przez Dziony
Uzupełnienie informacji
Odnośnik do komentarza
Udostępnij na innych stronach

Na pokrywie odmy jest uszczelka w kolektorze - tej Tobie brakuje.

Zanim odkręcisz tą aluminowa obudowę to musisz polewarować silnik.

W przepustnicy jest olej to i w puszce za przepustnicą również- nie dobrze.

W zestawie rozrządu jest pasek, napinacz, rolka plus pompa wody.

Pod osłona jest listwą wtryskowa. Śruby wkręcone poziomo.

TEB76 kod lakieru. Reszta to konfiguracja wyposażenia pojazdu.

  • Like 1
Odnośnik do komentarza
Udostępnij na innych stronach

18 godzin temu, szwagier24a napisał:

Na pokrywie odmy jest uszczelka w kolektorze - tej Tobie brakuje.

Zanim odkręcisz tą aluminowa obudowę to musisz polewarować silnik.

 

Tak właśnie myślałem. Gdy to odkręcałem wczoraj i dziś to miałem wrażenie, że samochód był skręcany na szybko lub niedbale.

Nie skończyłem tego jeszcze - testowania kompresji, bo nie mogłem dostać się do rozrusznika. Jest on po kolektorem wydechowym. Jutro będę ponosił przód i wtedy podeprę stabilnie silnik z tej strony, ale wcześniej zakręcę rozrusznikiem i wreszcie sprawdzę kompresję. Jestem bardzo ciekawy ... ?

 

18 godzin temu, szwagier24a napisał:

W przepustnicy jest olej to i w puszce za przepustnicą również- nie dobrze.

TEB76 kod lakieru. Reszta to konfiguracja wyposażenia pojazdu.

 

W jakim sensie niedobrze? Chodzi o to, że nie powinno go tam być, czy wskazuje na jakieś uszkodzenie wewnątrz silnika?

Dzięki, właśnie miałem szukać kodu lakieru.

 

Nie dostałem się co prawda do rozrusznika, ale za to widzę teraz, jak to wszystko wygląda. Dojście do głowicy od strony podszybia jest bardzo przestronne, jest naprawdę dużo miejsca. Znalazłem klucz do świec, ale dopóki nie przygotuje przewodu do zakręcenia rozrusznikiem to na razie nie będę ich wykręcał.

 

To wszystko wygląda naprawdę nieźle, choć tłumik środkowy jest raczej do wymiany. Jestem ciekaw bardzo czy jest tam oryginalny katalizator ??

Oryginalne katalizatory to łakomy kąsek dla "auto rzemieślników" ? ... oczywiście nie uogólniam, bo nawet w dobrym warsztacie, czasami trafia się black sheep ?

 

Jeśli chodzi o ten nieszczęsny filtr paliwa to wg. książki z Megane 1, był on w układzie, gdzieś za bakiem. Gdy będę miał swobodny dostęp do podwozia to zobaczę czy jest.

  1. Nie wiem gdzie dokładnie "podlewarować" samochód, czy mogę to zrobić tak, jak na grafice? Boję się, że mógłbym coś wgnieść lub zdewastować. Złożenie wszystkiego, tylko po to, by wjechać na najazdy jest trochę kłopotliwe. Wolałbym go podnieść stopniowo z przodu i osadzić docelowo na nich.
  2. Nie wie ktoś może, gdzie znajdę końcówkę przewodu do uruchomienia rozrusznika - przy BSI ? Wolałbym się nie wkłuwać w przewody. Ewentualnie, gdy podniosę samochód i będę mógł się dostać do przewodów rozrusznika to wtedy zrobię podłączenie do chwilowego zasilenia z akumulatora.
  3. Widzę też, że przed katalizatorem jest połączenie elastyczne z kolektorem. Orientuje się ktoś może, czy tak jest oryginalnie?

Megane uklad zasilania filtr paliwa.jpg

IMG_2663zm.jpg

IMG_2673zm2.jpg

IMG_2673zm1.jpg

IMG_2676zm.jpg

miejsce pod lewar.jpg

Edytowane przez Dziony
Uzupełnienie informacji, poprawa błędów.
Odnośnik do komentarza
Udostępnij na innych stronach

1. Na progu jest strzalka wskazującą miejsce na lewarek.

2. Można rozłączyć listwę wtryskową i naciskasz START i ponownie START i rozrusznik się zatrzymuje. Oczywiście świece wykręcone.

3. Połączenie jest oryginalne

Nie powinno być oleju w przepustnicy ani w puszce za przepustnicą.

To jest Renault a nie jest ford czy folkswagen żeby była korozja.

  • Like 1
Odnośnik do komentarza
Udostępnij na innych stronach

W dniu 26.01.2023 o 06:02, szwagier24a napisał:

2. Można rozłączyć listwę wtryskową i naciskasz START i ponownie START i rozrusznik się zatrzymuje. Oczywiście świece wykręcone.

Szwagier24 ... OGROMNE  DZIĘKI, DZIĘKUJĘ.

Wszystko zadziałało, ale musiałem za każdym razem rozłączać akumulator - nakładałem i ściągałem klemę, bez skręcania.

To nader proste rozwiązanie sprawiło, że mogę powrócić do wcześniejszej kolejności wymiany i nie muszę na razie podnosić samochodu. Wiedziałem, że uruchomienie w taki sposób silnika jest możliwe, ale już nie chciałem bardziej jęczeć po prośbie, niż teraz ?

Druga sprawa to obawiałem się jakiegoś uszkodzenia, że uszkodzę BSI lub cokolwiek innego. A przecież, czasami wystarczy jedno niefortunne zwarcie!

To samochód z trzeciej - czwartej ręki, ale jak widać, chyba dosyć zadbany. I pomijam, ile to naczytałem się negatywnych opinii o tym testerze Yato ... że nie ma zaworku zwrotnego, że na przewodzie elastycznym zakłamuje pomiar itd. Dodam, że wszystko robiłem sam - nikt mi nie pomagał, więc aparat filmował, ja biegałem tam i z powrotem a sam manometr, musiałem "ujeżdżać" drutem - bo się przekręcał.

Niestety wygląda na to, że najczęściej opinie negatywne piszą ludzie, którzy kompletnie nie radzą sobie z tym, co właśnie trzymają w rękach ?

Sam tester kupiłem na wyczucie i pewność, że marka Yato ma co najmniej poprawnie dopracowane i działające produkty.

Do rzeczy ... kompresja na cylindrach, liczonych od koła zamachowego - sprzęgła:

  1.  ~ 13,3 bar
  2.  ~ 12,4  bar
  3.  ~ 12     bar
  4.  ~ 12,2  bar

Nie jest to bardzo dokładny pomiar, ale chyba wystarczający. Dodam jeszcze, że mogła być jakaś nieszczelność. Wężyk dokręcałem tylko palcami za przewód i np. w ostatnim cylindrze, było słychać że ulatuje ... więc trochę mocniej - ale delikatnie dokręciłem. Połączenie na gwincie mogło nie być w 100% szczelne. Najważniejsze, że nie ma jakiś sporych różnic. Chciałbym napisać, że to moja pasja, ale na co dzień zajmuję się czym innym ... w sensie, że realizuje swoje tajne projekty a oprócz tego mam dwójkę dzieci ?

W dniu 26.01.2023 o 06:02, szwagier24a napisał:

1. Na progu jest strzałka wskazującą miejsce na lewarek.

W takim przypadku, gdy wszystko zadziałało na razie nie będę go podnosił - może tylko odrobinę do założenia podpory silnika, ale już nie muszę go dźwigać tak wysoko. Środkowy tłumik wymienię od spodu, gdy złożę wszystko od góry i wjadę na najazdy.

W dniu 26.01.2023 o 06:02, szwagier24a napisał:

3. Połączenie jest oryginalne

Jakoś nie jestem przekonany do tego siateczkowego rozwiązania w sensie, że połączenie elastyczne może być szczelne. Kupiłem spawarkę MigMag z butlą CO dwa lata temu do całego układu wydechowego i ew. blacharki w Xsarze ... i jak widać, teraz też się przyda ?

W dniu 26.01.2023 o 06:02, szwagier24a napisał:

Nie powinno być oleju w przepustnicy ani w puszce za przepustnicą.

Wiem, że olej powinien być tylko w układzie smarowania silnika ... ?

Uszczelka odmy, chyba jest - tak mi się wydaje, że to jest to, ale mogę się mylić. Pewnie pozapychało się coś. W niektórych silnikach jest odprowadzenie do miski a tu, chyba bezpośrednio w okolice pod pokrywą zaworów. Posprawdzam jeszcze tam. Dzisiaj wykręcę wtryski i spiszę kod producenta.

W dniu 26.01.2023 o 06:02, szwagier24a napisał:

To jest Renault a nie jest ford czy folkswagen żeby była korozja.

Nawet nie wiesz, jak bardzo jestem zaskoczony brakiem korozji. Nie wyraziłem tego zbyt entuzjastycznie, ale spodziewałem się o wiele gorszego stanu ... a tu, prawie nic nie trzeba robić - po za prewencją. Z tego też powodu, pytałem o miejsca pod lewarek. Tutaj próg nie jest zawinięty w kołnierz, tylko leci dalej w stronę podłogi.

Jeszcze chciałem zapytać o przedni pas. Tutaj jest on bardzo pordzewiały i oczywiście go odkręcę oraz odnowię.

Ciekawi mnie, czy we wszystkich Megane 2 zaczyna rdzewieć szybciej, niż reszta? Domyślam się, że może kiedyś był wymieniany - po jakiejś małej stłuczce. Sprawdzałem historię za granicą i nie było tam żadnych drogowych zdarzeń - choć nie wiem, czy to do końca wiarygodne.

 

IMG_2688zmkomp1.jpg

IMG_2691zmkomp2.jpg

IMG_2695zmkomp3.jpg

IMG_2697zmkomp4.jpg

IMG_2700.JPG

IMG_2649zmpas.jpg

IMG_2703.JPG

zrzut historii poj.jpg

Jeszcze uzupełnię:

Całość filmowałem aparatem, więc mam filmy i na nich, na stop klatkach widać większe ciśnienie maksymalne.

Po maksimum, następował spadek i zanim wysiadłem z samochodu, wskazówka lekko opadła.

Z boku jest taki zaworek, którym upuszcza się ciśnienie w manometrze oraz z całości. Odczytane wartości ze zrzutów są trochę wyższe:

  1.  ~ 13,6 - 7  bar
  2.  ~ 13          bar
  3.  ~ 12,3 - 4  bar
  4.  ~ 12,5       bar

Odrobinę zmienia to postać rzeczy, chyba na korzyść. Ten tester kosztował ok. 80 zł i jak najbardziej jestem zadowolony z zakupu. Na profesjonalny pomiar musiałbym jechać samochodem i pewnie zapłacić niemało ... bo przecież do testów trzeba to wszystko poodkręcać. Nie żalę się na ceny, bo nikt za darmo nie pracuje ... no i miałbym wydruk ?

VLCscren2023-01-26-16h53m12s371.jpg

VLCscren2023-01-26-16h44m21s157.jpg

VLCscren2023-01-26-16h45m57s909.jpg

VLCscren2023-01-26-16h46m15s240.jpg

VLCscren2023-01-26-16h47m10s196.jpg

VLCscren2023-01-26-16h40m14s912.jpg

VLCscren2023-01-26-16h27m38s146.jpg

Odnośnik do komentarza
Udostępnij na innych stronach

Super, że kompresja jest równa, co osobiście upatrywałem jako przyczynę falowania.

Tak, ten pas tak koroduje, bo słabo zaprojektowane jest odprowadzanie wody. Dodatkowo przykryty jest plastykową pokrywą mocowaną na plastykowe kołeczki. W ostatnich rocznikach już nie było tej nakładki z tworzywa.

Czy masz nową uszczelkę pomiędzy pokrywą odmy a kolektorem dolotowym?

Wbrew pozorom łącznik wydechu ma dość komfortowe warunki pracy - jest mało narażony na działanie wód opadowych przez co nie koroduje tak szybko. Co najwyżej może wymagać wymiany uszczelka.

  • Like 1
Odnośnik do komentarza
Udostępnij na innych stronach

W dniu 26.01.2023 o 17:57, szwagier24a napisał:

Super, że kompresja jest równa, co osobiście upatrywałem jako przyczynę falowania.

 

To taka zaniedbana, zakamuflowana rocznikowo perełka ?

Mam dylemat, bo gdy ostatnio przeglądałem ceny to popychacze były o wiele tańsze. Mam fotograficzną pamięć. Jeśli silnik jest w tak dobrym stanie to być może popychacze też będą. Gdybym zaaplikował płukankę z olejem 5W30, przejechał kilkaset kilometrów i znowu wymienił olej na 5W40 to może coś by się poprawiło? ... zakładając, że tu leży przyczyna.

Z drugiej strony, teraz mam dostęp do wszystkiego i nie musiałbym tego rozkręcać ponownie. Jeszcze się zastanowię. Chcę wymienić jeszcze dwa tłumiki i tanio - z akcesoriami nie będzie ?

 

Ta duża uszczelka to  "852.180/ELR USZCZELKA KOLEKTORA SSĄC.RENAULT",  jest pod kolektor dolotowy a pod wylotowy dopiero zamówię.

 

 

 

W dniu 26.01.2023 o 17:57, szwagier24a napisał:

Czy masz nową uszczelkę pomiędzy pokrywą odmy a kolektorem dolotowym?

 

Pomiędzy kolektorem dolotowym a odmą? Masz na myśli kolejną i chyba pionowo ułożoną uszczelkę?

Czy ta pokazana na zdjęciu pod pokrywą to kolejna, dodatkowa?

 

W dniu 26.01.2023 o 17:57, szwagier24a napisał:

Wbrew pozorom łącznik wydechu ma dość komfortowe warunki pracy - jest mało narażony na działanie wód opadowych przez co nie koroduje tak szybko. Co najwyżej może wymagać wymiany uszczelka.

 

Byłem prawdziwie zdziwiony faktem w jak czystym i nieskorodowanym zbytnio stanie to wszystko jest. Aż przyjemnie się na to patrzy ?

Wraz z kompletem uszczelek pod kolektor wydechowy i łącznik, kupię też nowe nakrętki, wypłukam dobrze katalizator, zaleje środkiem do mycia, znowu przepłukam ... oczyszczę też sondy lambda.

 

Jeszcze chciałem zapytać o PŁYN CHŁODNICZY.

Niby można zalać każdy, ale np. w Xsarze, gdy zalałem innym - niby dobrym, normalnym  niż zalecał producent, zaczęło niesamowicie później śmierdzieć. Musiałem wszystko myć i czyścić.

Czy Renault stosuje też jakieś swoje płyny? Te z Citroena były do rozcieńczania i w ostateczności, użyję właśnie tego do Xsary. Jego przewagą jest jakość oraz to, że po zalaniu czegoś, wylaniu na coś nie cuchnie niesamowicie  ?

 

IMG_2671odma.jpg

 

Jeszcze chciałem zapytać  o  WTRYSKIWACZE:

 

Wiem, że jest ich kilka na rynku, ale cenę muszę liczyć razy cztery - x 4 szt.

 

Dobre na pewno będą Siemens, Meat & Doria 75117170 i chyba takie, jak na zdjęciu - opisane, jako oryginalne OEM. Nie wiem co myśleć, gdy czytam OEM lub "prosto z taśmy", "pierwszy montaż". Zerknijcie proszę na zdjęcie, czy ktoś miał z nim kontakt "Renault Group USA".

 

Oczytałem się już wiele lat temu na forum mechaników i jasno - jednoznacznie oni tam opisują, że uszkodzony, choćby tylko częściowo wtryskiwacz, prowadzi m.in. do wypalenia tłoka. Oglądałem zdjęcia i wierzę im na słowo ?

 

wryskiwacz.webp

Edytowane przez Dziony
Poprawa błędów, uzupełnienie informacji.
Odnośnik do komentarza
Udostępnij na innych stronach

To jest pokrywa odmy klejona na specyfik od Loctite co pokrywa zaworów.

Chodziło mi o tą uszczelkę jajko  8200052311 co pokazałeś na zdjęciu.

Popychacze: jeżeli będziesz zdejmować pokrywę zaworów to łatwo zweryfikujesz ich stan. Po osadach na głowicy można stwierdzić jaki ogólnie jest stan silnika.

Płyn chłodzący: lać oryginalny.

Odnośnik do komentarza
Udostępnij na innych stronach

Przez cały czas próbuję dojść do tego, jakie mam oznaczenie silnika. Domyślam się, że to K4J - ale to chyba niepełny symbol.

Gdy wyszukuję części po typie samochodu to wybieram zawsze Megane II BM0/1 - CM0/1. Według naklejki mam CM0H - tak mi się wydaje.

Czy jest jakiś portal Renault, gdzie mógłbym sprawdzić wszystkie składowe samochodu w sensie typ silnika, skrzyni biegów itd. np. po num. vin?

 

W dniu 26.01.2023 o 22:35, szwagier24a napisał:

Płyn chłodzący: lać oryginalny.

 

Znalazłem już, ale nie jest tani GLACEOL RX TYPE D 2L OE RENAULT 7711428129

 

W dniu 26.01.2023 o 22:35, szwagier24a napisał:

To jest pokrywa odmy klejona na specyfik od Loctite co pokrywa zaworów.

Popychacze: jeżeli będziesz zdejmować pokrywę zaworów to łatwo zweryfikujesz ich stan. Po osadach na głowicy można stwierdzić jaki ogólnie jest stan silnika.

 

Tak myślałem, bo widać nierównomiernie wyciśniętą krawędź uszczelki. Kupię oryginał Loctite. Bardzo jestem ciekawy jak to wygląda. Dzisiaj będę wszystko rozkręcał.

 

Idę jeszcze powykręcać czujniki i sprawdzę pod lupą, bo chcę zamówić od razu z kompletem rozrządu. Co do wtryskiwaczy to też wykręcę i spiszę, ale 270 000 tyś km to dużo a wątpię, by ktoś wcześniej wymieniał. Regeneracja jednego kosztuje  ponad 200 zł. Nowy kosztuje 200 - 330 zł ... nie jest tanio, zważywszy, że chcę to kupić wszystko razem. Zrezygnowałem jedynie z koła pasowego paska klinowego, wielorowkowego. "Odrestauruję" go, bo nowy to 220 zł ?

 

Dodatkowa edycja wpisu.

 

Udało mi się dzisiaj podnieść samochód, ale pot ściekał mi z czoła ...

 

Wykręciłem listwę wtryskową i same wtryski wyglądają, jakby tam były od nowości. Jutro będę podpierał silnik. Chciałem odkręcić cały kolektor dolotowy, ale jedna śruba trzyma chyba od strony wnęki rozrządu. Wspominam tak ciągle o tych wtryskach, bo wydaje mi się,  że za to wyższe spalanie odpowiedzialne są wtryski.

 

Doprowadzenie tego do normalnego stanu, zajmie mi ok. dwóch tygodni dłużej. Później będzie tylko jazda ... ? - mam taką nadzieję ?

Na zdjęciach widać tłumiki - chyba Polmos, albo jakiś inny Wizawit. Do Xsary kupowałem w niemieckim sklepie. Nie wiem dlaczego - tylko się domyślam, ale w niemieckich sklepach ten cały osprzęt do układu wydechowego, jest o wiele lepszej jakości ... a ceny często niższe lub porównywalne.

 

Będę polował na Bosale, zobaczymy co z tego wyjdzie ? ... np. do Xsary zakupiłem Bosal 1 i 2 w bardzo dobrej cenie - na wyprzedaży. Za całość, czyli za dwa tłumiki, zapłaciłem ok. 300 - 350 zł

Wreszcie wiem jak to wygląda od spodu. Samochód nie jest jeszcze na podjazdach, są to tylko takie tymczasowe podstawki pod koła.

 

Mam jeszcze kilka pytań na zdjęciach ...

 

 

 

IMG_2711zm.jpg

IMG_2724zm.jpg

IMG_2717.JPG

IMG_2729.JPG

IMG_2720.JPG

IMG_2738zm.jpg

IMG_2742.JPG

IMG_2748zm.jpg

IMG_2751zm.jpg

IMG_2735zm.jpg

IMG_2766zm.jpg

IMG_2747.JPG

IMG_2708zm.jpg

Edytowane przez Dziony
Uzupełnienie informacji.
Odnośnik do komentarza
Udostępnij na innych stronach

Nie wykluczone, że katalizator był wymieniony - spawy, łącznik.

Wtryski aż tak się nie zużywają. Nie wiem czy podlegają regeneracji.

Z tym podnoszeniem - ostro grasz. Podpowiadam, aby do takich prac zainwestować w lewarek hydrauliczny typu żaba.

Na obudowie rozrządu powinna być kolejna taka karteczka z kodem silnika i numerem seryjnym.

Na 99% jest to czujnik ciśnienia oleju. Czujnik poziomu oleju jest pod rozrusznikiem z tyłu silnika.

Nagrzewnicę wymontujesz od strony kierowcy, jest do niej dostęp po demontażu dolnej części kokpitu po stronie kierowcy, demontażu pedału gazu i hamulca, wzmocnienia kokpitu (trudno odkręcić dwie górne śruby). Nie każda nagrzewnica pasuje - w oryginale jest Valeo, u mnie zamienna nie dała się zamontować, musiałem kupić używkę. Używka trafiła mi się z 2002 r. i była jak nowa - jeżeli u Ciebie nie ma sensownych przesłanek do jej demontażu to nie polecam. Bardziej wymiany może wymagać wentylator nawiewu - jeżeli jeszcze nie piszczy to na pewno skończyły się już szczotki na komutatorze. Demontaż prostszy od wymiany nagrzewnicy, co nie zmienia faktur, że kręgosłup trzeba mieć z gumy.

Odnośnik do komentarza
Udostępnij na innych stronach

42 minuty temu, szwagier24a napisał:

Na 99% jest to czujnik ciśnienia oleju.

Raczej nie, do czujnika ciśnienia dochodzi tylko jeden kabelek a na zdjęciu chyba widać widać dwa.

Odnośnik do komentarza
Udostępnij na innych stronach

Podziwiam za upór i chęci włożenia dużego hajsu w tak stare auto. Lubię auta ale to jednak sprzęt AGD:) ja osobiście nie wymieniał bym tyłu detali bez wcześniejszej diagnozy lub logów. Ale temat czytam na bieżąco. Co do podnoszenia to podstaw sobie kobyłki, klocki drewniane czy coś. Głupio by było zejść z tego świata przez przygniecenie. Ten czujnik co jest na zdjęciu mi pasuje na czujnik spalania stukowego. 

Odnośnik do komentarza
Udostępnij na innych stronach

Dołącz do dyskusji

Możesz dodać zawartość już teraz a zarejestrować się później. Jeśli posiadasz już konto, zaloguj się aby dodać zawartość za jego pomocą.

Gość
Dodaj odpowiedź do tematu...

×   Wklejono zawartość z formatowaniem.   Usuń formatowanie

  Dozwolonych jest tylko 75 emoji.

×   Odnośnik został automatycznie osadzony.   Przywróć wyświetlanie jako odnośnik

×   Przywrócono poprzednią zawartość.   Wyczyść edytor

×   Nie możesz bezpośrednio wkleić grafiki. Dodaj lub załącz grafiki z adresu URL.

×
×
  • Dodaj nową pozycję...

Nasza strona utrzymywana jest wyłącznie z reklam. Dlatego prosimy o wyłącznie AdBlocka w przeglądarce podczas korzystania z witryny https://megane.com.pl .

Tak, AdBlock został przeze mnie wyłączony!