Skocz do zawartości

Sklep z częściami do Renault - sprawdź iParts.pl

Montujemy TEMPOMAT w MII


Driver

Rekomendowane odpowiedzi

Włączniki polutowane zostaje kupno włącznika i zobaczymy czy zaskoczy:)

 

Dodano: 23 sty 2016 - 13:21

Dzięki temu tematowi kolejna meganka zyskała działający tempomat :) na razie bez aktywacji clipem ale wszystko śmiga. Dzięki

Edytowane przez aston76
Odnośnik do komentarza
Udostępnij na innych stronach

  • 3 tygodnie później...

Zacząłem od kostki jak by była fukncja aktywna to CLIP byłby stratą pieniędzy;).

 

Nie widze fotek co się dzieje

 

d909b798fee85b2cmed.jpg

ZDJĘCIE NUMER 1:

A więc tak odpinamy akumulator!, następnie wciskamy zapadke podpisaną numer 1 i obracamy szara "dźwignię" (2) do góry o około 90 aż kostka sama wyskoczy z komputera.

Obcinamy opaske zaznaczoną kółkiem.

 

ab0b8b9e604833b7med.jpg

ZDJĘCIE NUMER 2:

Podważamy lekko zapadki numer 3 i 4 najlepiej przy użyciu małego śrubokrętu i przesuwamy czarny plasticzek zgodnie z wskazanym kierunkiem (5).

 

 

 

 

a7fe5e92918f7735med.jpg

ZDJĘCIE NUMER 3:

Podnosimy zielony plasticzek numer 6 (bez podniesienia pin nie wskoczy w gniazdo!). Bez problemu wychodzi.

 

 

 

 

9662f510fcba8aeemed.jpg

ZDJĘCIE NUMER 4:

Wpinamy piny w odpowiednie gniazda na kostce są wytłoczone literki i cyferki. a2 po zwarciu z + włącza tempomat(pod kierownicą odpowiada pinowi o oznaczeniu A3).

c3 z + włącza ogranicznik prędkości(pod kierownicą odpowiada pinowi o oznaczeniu B1).

d3 z d2 przez zastosowanie odpowiednich oporników sterują tempo/ogranicznikiem (przyciski z kierownicy) zdjęcie 5 Dobrze jest podpisać sobie te kabelki żeby nie bylo potem główkowania:]

3d5e9b2993279f47med.gif. Rys. dstorm

 

 

Przechodzimy kabelkami przez ścianę grodziową. Za filtrem powietrza jest w tym celu specialny otwór z gumą zabezpieczającą. Wg. instrukcji trzeba zdemontować:

aku, komputer sterujący wtryskiem ECU ], rurę od filtra która idzie do turbo, a następnie filtr powinien wyjść. Za nim znajduje się takie coś zdjęcie 6. Ktoś na forum wspominał żeby od strony kabiny przez tą gume włożyć drut od strony silnika zaczepić drut o kable i przeciągnąć do kabiny, mi sie to nie udało:(

fa4540c1cf409582med.jpg.

 

 

 

 

c070a36d21d3da2amed.jpg

Zdjęcie numer 7: "podkradamy" kabelki A1 A2 B2

A1 Masa (nie wiem skąd go wziąć, ale można go puścić od akumulatora klema minusowa - )

A2 + Po wyłączeniu zapłonu ]

B2 + oświetlenia czyli po zapaleniu świateł (podświetla przycisk)

 

 

Na koniec wpinamy piny A1 A2 A3 B1 B2 w panel (zakupiony juz) w gniazda.

Pozostaje nam jeszcze jakiś przemyślany montaż przycisków sterujących c3 i d3, żeby potem w trasie nie szukać.

 

Podjeżdzamy pod diagnostyke OBD2

odpalamy

CF150 - Regulator / ogranicznik-prędkości: Z/BEZ + konfiguracja modułu wtrysku -

LC121 - Ogranicznik prędkości: Z/BEZ)

 

"- w rzeczywistosci ta opcja na CLIPE od megi miala symbol bodajze LC061 i tylko to włączałem - po tym zabiegu bylo ok." - athlon64x4

 

Dodam że BARDZO pomogli dstorm i MarioJas z forum laguny

Nel dzięki za schemacik a904c5448a2dc5eemed.jpg

 

 

p.s. Athlon64x4 jak tobie smiga ogranicznik predkosci?:>

 

Dodano: 09 lut 2016 - 11:11

Czemu nie widze zdjęć

Odnośnik do komentarza
Udostępnij na innych stronach

Ponieważ jest to post sprzed 7 lat i zdjęcia były wrzucone na zewnętrzny hosting, który już wygasł. Nie wiem, czy ktoś nadal je ma, więc liczyłbym, że ktoś inny prędzej zrobi zdjęcia, albo spróbujesz bez zdjęć.

Odnośnik do komentarza
Udostępnij na innych stronach

  • 2 tygodnie później...

Hej,

 

Tempomat udało mi się załączyć dzięki ELMowi jednak moja Meganka 2ph2 nie posiada fabrycznej instalacji pod tempomat.

Przejrzałem wszystkie 38 stron tego wątku i post, który zacytował powyżej shogun1984 jest jedynym tyczącym się wiązki pod tempomat jednak bez zdjęć bardzo ciężko zrozumieć o co chodzi. Jestem laikiem i nawet nie wiem gdzie znajduje się komputer wtrysku i jak się do niego dostać, jak go wyjąć itp.

Czy warto dokupić fabryczną wiązkę pod tempomat czy jest to nie realne?

Jest ktoś w stanie mi pomóc w sprawie dorobienia wiązki do tempomatu?

Czy przełącznik tempomat/ogranicznik różni się wersją między ph1 a ph2?

Edytowane przez apw911
Odnośnik do komentarza
Udostępnij na innych stronach

Komputer znajduje się za akumulatorem. Trzeba wyjąć akumulator i plastikową osłonę w której się znajduje aku.

Oryginalnej wiązki raczej nie dostaniesz, ale też nie ma takiej potrzeby kabel 0,5m2 w zupełności wystarczy ( może być ciut grubszy, nie będzie przeszkadzało).

Przełączniki jeżeli się różnią to tylko kolorem podświetlenia.

Ja swój tempomat zrobiłem nad radiem. Plastikowa kostka + włącznik + cztery mikro włączniki + kable z Castoroamy + oporniki. Koszt około 20 złoty.

Odnośnik do komentarza
Udostępnij na innych stronach

Papuga

Dzięki za informacje. Jeszcze mam jedno pytanie - jeśli się zdecyduję na montaż przycisków na kierownicy to czy po przerobieniu/zmianie zwijaka muszę jeszcze puszczać wiązkę od zwijaka do komputera?

Czy wtyczka przy komputerze, do której mam doprowadzić wiązkę tempomatu jest domyślnie pusta czy już tam będzie jakaś wtyczka, do której mam się wpiąć?

 

 

lapka2.gif

Regulamin pkt.

5.13 – cytowanie Aston76

Edytowane przez aston76
Odnośnik do komentarza
Udostępnij na innych stronach

Jest pewna zależność i jeśli masz wtyczkę do włącznika tempomatu przy regulacji świateł to i reszta instalacji będzie przygotowana pod bezproblemowy montaż dodatkowych elementów tempomatu. Wtedy tylko kupujesz i montujesz.

Nie wiem jaka powinna być dokładnie wtyczka do tego włącznika dla Meganki ale jest to opisane na forum i trzeba tylko poszukać. Ale np. w SCII jeśli jest biała wtyczka pod manetką do świateł/kierunków to bezproblemowo pozostaje kupić tylko: pająka pod tempomat, przyciski i poduszkę; zamontować i aktywować w liczniku tempomat. Podobnie jest w MII ale tam dochodzi dodatkowo zakup tego włącznika.

Jeśli nie będziesz miał tej owej wtyczki to już tworzy się spory problem aby dołożyć te kabelki i w razie czego podmiany jeśli trzeba pewnych elementów.

Pająki dla wersji bez tempomatu i z różnią się tylko tym że ten pod ma dwa piny/kabelki więcej dla przycisków.

Odnośnik do komentarza
Udostępnij na innych stronach

Dzięki za odpowiedź. Tak jak pisałem przeczytałem cały temat.

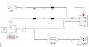
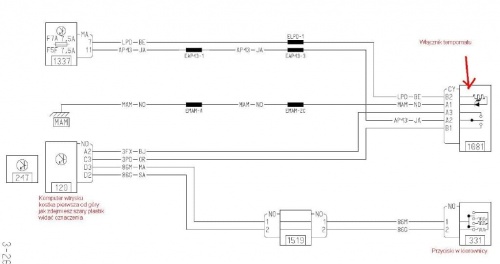
Nie mam instalacji pod tempomat gdyż nie mam luźnej wtyczki przy pokrętle sterowania światłami. Wiem czym się różni zwijak w obu wersjach. Tylko chodziło mi o to co jest na schemacie elektrycznym (dołączam do posta).

Na schemacie widać jak piny D2 i D3 we wtyczce komputera wtrysku są połączone z przyciskami na kierownicy. Stąd moje pytanie we wcześniejszym poście. Czy takie połączenie już domyślnie jest czy wykonując własnoręcznie taką wiązkę muszę też i to wykonać?

 

Dodano: 08 mar 2016 - 16:49

Ok wybaczcie za post pod postem ale chciałem odświeżyć temat.

Powiedzcie mi proszę jakie piny są potrzebne do kostki przy komputerze, przycisku włącznika tempomatu oraz do zwijaka?

Ktoś pisał MSQ, ktoś pisał Sicma F150 to w końcu jaki?

Dodatkowo ile metrów kabla (i jaki polecacie) trzeba kupić? np. dwużyłowy? Jaki przekrój?

Tyle osób robiło taką instalację, a nikt nie opisał co i jak.

 

PS. Szkoda, że nikt przez tyle lat nie zebrał wszystkich informacji z tego wątku i nie wrzucił do pierwszego posta...

post-86688-0-81027200-1456820846_thumb.jpg

Edytowane przez apw911
Odnośnik do komentarza
Udostępnij na innych stronach

PS. Szkoda, że nikt przez tyle lat nie zebrał wszystkich informacji z tego wątku i nie wrzucił do pierwszego posta...

Masz okazję się wykazać i to zrobić a ja ci obiecuję, że jak mi to prześlesz w jakiejś sensownej formie zrobione to zapoda się do pierwszego posta. <piwko>

Możesz też stworzyć manual i zapodać do downloadu ;) <ok>

Odnośnik do komentarza
Udostępnij na innych stronach

Konektory przy kompie to najprawdopodobniej MQS F063, mam takie bo zostały mi po przeróbce klimy i najbardziej pasują do tego co widziałem na zdjęciach. Przy wtyczce może być ta Sicma ale w to nie wnikam bo kupuję obciętą wtyczkę. Za kilka dni mogę potwierdzić na 100% bo będę montował u siebie (czekam na przesyłkę z resztą gratów). Wiązkę raczej całą będziesz musiał zrobić. Wg schematów przewody mają być 0,35mm, jedynie + po zapłonie 0,5mm, typ przewodu najlepiej FLRY-B, wsadzić w oplot elastyczny, na końce dać kapturki termokurczliwe i będzie OK. Ja montuję w pilot od radia, nie chcę pchać się w koszty bo tempomat użyję pewnie max 5 razy w roku.

Odnośnik do komentarza
Udostępnij na innych stronach

Zabieram się za zamontowanie tempomatu według Waszych instrukcji.

 

Proszę Was o potwierdzenie, że chcę użyć dobrych części:

 

- jako włącznik tempomatu/ogranicznika chcę użyć normalnego przełącznika 3 pozycyjnego (I - OFF - II),

- sterowanie tempomatem chcę zrobić na uniwersalnych przełącznikach do szyb elektrycznych, zamontowanych na podłokietniku przy dźwigni hamulca ręcznego.

 

Moje pytania:

- czy wszystkie przełączniki muszę mieć na 12V, czy mogą być też te, które mają podane w charakterystyce 250V?

- czy zamiast przełącznika do szyb lepiej użyć przełącznika monostabilnego z pozycjami (ON) - OFF - (ON)ale też na 250V - czy będzie to miało znaczenie?

Odnośnik do komentarza
Udostępnij na innych stronach

Witam,

 

Szukałem na forum Megane i Laguny i nie znalazłem odpowiedzi na nurtujące mnie pytanie, czy jest możliwość wykorzystania pilota od radia jako sterownika tempomatu tzn. aby przycisk przygłaszania odpowiadał za wzrost prędkości, przyciszania za spadek a wyciszenie było pamięcią?

 

Poniżej dodaje zdjęcie pilota od wewnątrz.

Z góry dziękuje.

post-79110-0-88683400-1458150166_thumb.jpg

Edytowane przez aston76
Odnośnik do komentarza
Udostępnij na innych stronach

  • 2 tygodnie później...

Hej. Kończę kompletowanie gratów. Zostaje mi ostatnia rzecz - gdzie najlepiej się podpiąć pod + po zapłonie i pod + prawe światło pozycyjne?

Edytowane przez aston76
Odnośnik do komentarza
Udostępnij na innych stronach

No proszę <zolta> ... wielokrotnie temat wałkowany i zależnie gdzie tego plus potrzebujesz to jest podana odpowiedź gdzie go znaleźć...

pozycyjny plus znajdziesz w skrzynce bezpieczników pod maską... lenistwo dosłownie...

Odnośnik do komentarza
Udostępnij na innych stronach

Dołącz do dyskusji

Możesz dodać zawartość już teraz a zarejestrować się później. Jeśli posiadasz już konto, zaloguj się aby dodać zawartość za jego pomocą.

Gość
Dodaj odpowiedź do tematu...

×   Wklejono zawartość z formatowaniem.   Usuń formatowanie

  Dozwolonych jest tylko 75 emoji.

×   Odnośnik został automatycznie osadzony.   Przywróć wyświetlanie jako odnośnik

×   Przywrócono poprzednią zawartość.   Wyczyść edytor

×   Nie możesz bezpośrednio wkleić grafiki. Dodaj lub załącz grafiki z adresu URL.

  • Polecana zawartość

    • Nawiew tylnej kanapy - Megane 3
      Witam, planuje zakup Megane 3 Grandtour. Przegladajac ogloszenia nie widze aby jaka kolwiek miala nawiew na tylnia kanape. Pytanie czy jesrt to do zrobienia ? Może części z laguny 3 beda pasować ? Robił, ktoś cos podobnego ? Wymysliłem sobie kupno M3 1.5 dCi 110km, do tego chciałbym na start zrobić chip zeby podniesc moment  obrotowy i zyskać pare km. Później  chciałbym wrzucić jeszcze radio 2din z możliwością podpięcia kamery cofania i gniazdo zapalniczki lub usb do ladowania dla pasazera z tylu. Aczkolwiek najbardziej mnie nurtuje czy jest opcja na ten nawiew do tylu dla pasażerów. Jeżeli to pomocne... jestem gotow zrezygnować z tego joysticka jesli takowa wersja jaka kupie bedzie go posiadać. jezeli bedzie trzeba zmienić caly ten tunel . Dla mnie jest elementem zbędnym. W tym miejscu bardziej pasowałby jakis schowek z zasuwana roletka, albo poprostu miejsce na kubek. 
       
      Jesli był taki temat poruszany to podlinkujcie. Nie znalazlem nic co by zaspokoiło moje pytania. Widziałem wątek o M4 ale te auta chyba troszeczke sie różnią ? 
       

      REGULAMIN Forum się kłania pkt 5.6  - Prezes
       
       
      • 25 odpowiedzi
    • Jak sprawdzić kod silnika?
      Czy można jakoś odczytać kod silnika i skrzyni biegów z naklejki czy VINu? Jeśli tak to jak?
        • +1
      • 11 odpowiedzi
    • Cześć, w przeciągu dwóch tygodni mam odebrać swoje megane 1.3 tce 140. 
      Powiedzcie proszę bo gdzieś wyczytałem, że nowoczesne silniki wraz z olejami są tak skonstruowane, że nie trzeba wymieniać oleju po 1000-2000km od wyjechania z salonu.
      Jak to w praktyce wygląda aby samochód służył długie lata?
      • 34 odpowiedzi
    • Dynamiczny kierunkowskaz led - przód
      Witam, zamontowałem pasek led wewnątrz oryginalnego klosza na kierunkowskaz, wygląda dużo lepiej, jedyny problem jaki mam do rozwiązania to przerywnik, na awaryjnych działa normalnie natomiast przy używaniu jednego kierunku mruga szybko jakby była spalona żarówka, nie wiem czy bawić się w oporniki czy da się coś ustawić w ddt4all ?
       
       
      • 13 odpowiedzi
    • Co dziś zrobiłeś dla swojego autka?
      Pomysł zapożyczyłem z innego forum i wydaje mi się, że nie jest głupi
      Więc ja zacznę: zamówiłem 2 żarówki h4 Philips X-treme 8-)
      • 5805 odpowiedzi
×
×
  • Dodaj nową pozycję...